OEM N type RF Coaxial Connector Supplier

Tá Ningbo Hanson Communication Technology Co., Ltd. Baile / Táirgí / Cónascaire comhaiseach RF / Nascóirí comhaiseach RF N-cineál

Nascóirí comhaiseach RF N-cineál

Cur síos:

Is cónascaire comhaiseach RF sraith N-cineál RF cónascaire comhaiseach RF le meicníocht nasc snáithithe a forbraíodh agus a tháirgtear i gcomhréir le caighdeán míleata na SA MIL-C-39012. Tá tréithe bandaleithead leathan aige, friotaíocht turraing maith, ard-iontaofacht, agus feidhmíocht den scoth, agus úsáidtear go forleathan é i gcóras cumarsáide agus tomhais micreathonn. Tá impedance tréith an chónascaire comhaiseach RF sraith N-cineál a tháirgtear ag ár n-mhonarcha roinnte ina dhá chineál: 50Ω agus 75Ω.

Paraiméadar:

Príomh-Sonraíochtaí Teicniúla:
◆ Impedance Saintréith: 50Ω/75Ω
◆ Raon Minicíochta: DC-18GHz(50Ω)/DC-3GHz(75Ω)
◆ Friotaíocht Insliú: ≥5000MΩ
◆ Tréleictreach Seasann Voltas: 1500V(rms)
◆ Cóimheas Seasmhach Tonn Voltais (VSWR): ≤1.30
◆ Timthriallta Cúplála: 500 uair

Fiosraigh

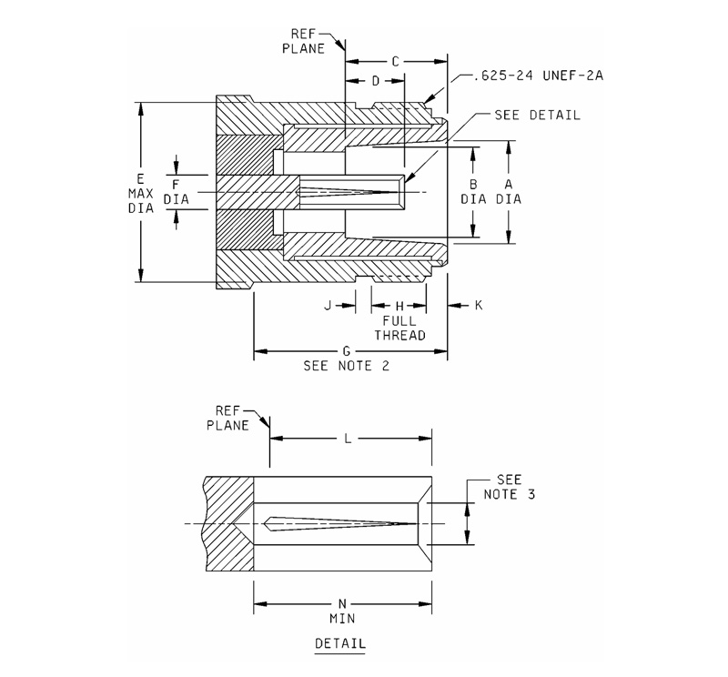
Dim
Ltr
orlach (mm)
Min. uas.
A .336 (8.53) .344 (8.74)
b .316 (8.03) .320 (8.13)
c .356 (9.04) .362 (9.19)
D .187 (4.75) .207 (5.26)
E ------ .627 (15.93)
F .119 (3.02) .124 (3.15)
G .422 (10.72) ------
H .172 (4.37) .220 (5.59)
J .047 (1.19) .077 (1.96)
K .047 (1.19) .077 (1.96)
L .187 (4.75) .207 (5.26)
N .210 (5.33) ------

Nótaí:
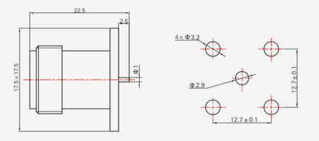
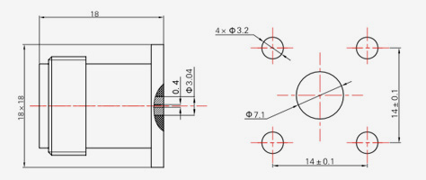
1. comhlíonfaidh an comhéadan seo na ceanglais tomhsaire mar atá sonraithe in
MIL-pRF-39o12/2.
2. Imréiteach le haghaidh cnó cúplála cónascaire cúplála.
3. chun freastal ar VSwR, tréithe cúplála, friotaíocht teagmhála agus
marthanacht cónascaire nuair cúpláilte le bioráin trastomhas a.063/.066.

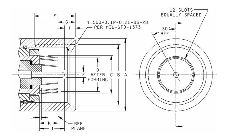
Dim
Ltr
orlach (mm)
Min. uas.
A 1. 740 (44.20) 1. 760 (44.70)
b 1.537 (39.04) 1.543 (39.19)
c 1. 060 (26.92) 1.064 (27.03)
D .964 (24.49) .974 (24.74)
E .194 (4.93) .196 (4.98)
F .836 (21.23) .856 (21.74)
G .372 (9.45) .392 (9.96)
H .271 (6.88) .291 (7.39)
J 551 (14. 00) .571 (14.50)
K .370 (9.40) .380 (9.65)
L .001 (0.03) .013 (0.33)

Nótaí:
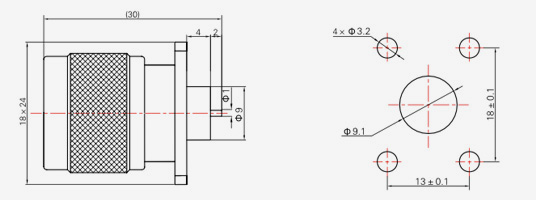
1. comhlíonfaidh an comhéadan seo na ceanglais tomhsaire mar atá sonraithe in MIL-PRF-39012/44.

Dim
Ltr
orlach (mm)
Min. uas.
A 1. 404 (35.66) 1. 408 (35.76)
b 1. 100 (27.94) 1. 120 (28.45)
c 1. 998 (50.75) 1. 002 (25.45)
D 936 (23.77) .940 (23.88)
E .191 (4.85) .195 (4.95)
F .763 (19.38) .783 (19.89)
G .465 (11.81) .485 (12.32)
H .062 (1.57) Tagairt
J .302 (7.67) .322 (8.18)
K .302 (7.67) .322 (8.18)
L .001 (0.03) .013 (0.33)
M .490 (12.45) .510 (12.95)
N .240 (6.10) ,260 (6.60)
P .187 (4.75) .189 (4.80)
R .014 (0.36) .018 (0.46)

Nótaí:
1. comhlíonfaidh an comhéadan seo na ceanglais tomhsaire mar atá sonraithe in MIL-PRF-39012/45.

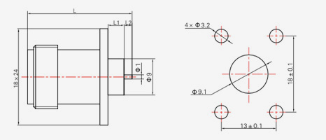
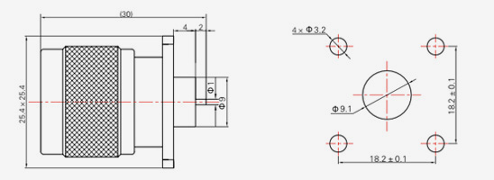
N SERIES
  • N- JB2
    N- JB2
    Múnla Cineál cábla d
    N- JB2 SFT-50-2,670-086 Φ2.2
    N- JB3 SFT-50-3,670-141 3.6
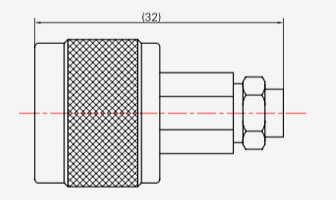
  • N- JB3-1
    N- JB3-1
    Múnla Cineál cábla L
    N- JB3-1 SFT-50-3,670-141 17.6
    N- JB3A-1 SFT-50-3,670-141 16.5
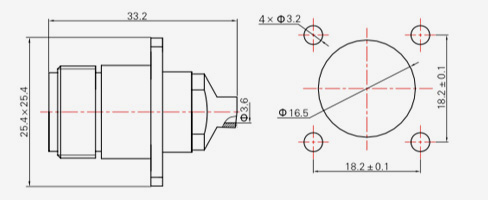
  • N- KB3
    N- KB3
    Múnla Cineál cábla
    N- KB3 SFT-50-3,670-141
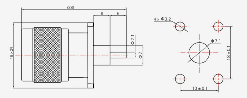
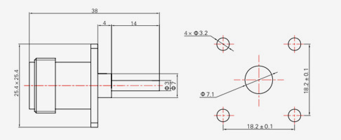
  • N- KFB3
    N- KFB3
    Múnla Cineál cábla
    N- KFB3 SFT-50-3,670-141
  • N-KYB3
    N-KYB3
    Múnla Cineál cábla
    N-KYB3 SFT-50-3,670-141
  • N-J3
    N-J3
    Múnla Cineál cábla
    N-J3 SYV-50-2-1,RG316
    N-J4 SYV-50-2-2
  • N- J5
    N- J5
    Múnla Cineál cábla L
    N- J5 SYV-50-3, RG142, SFCJ-50-3-51 33
    N- J5C SYV-50-3, RG142, SFCJ-50-3-51 33
    N-J7 SYV-50-5-1, SFCJ-50-5-51 36
    N-J10 SYV-50-7-1, SYV-50-7-2, SFCJ-50-7-51 36
  • N- J5.3
    N- J5.3
    Múnla Cineál cábla
    N- J5.3 32055,205,GNB415
  • N-J311
    N-J311
    Múnla Cineál cábla
    N-J311 FFB311A
  • N-J10-1
    N-J10-1
    Múnla Cineál cábla
    N-J10-1 SFCJ-50-7-51
  • N- JW5
    N- JW5
    Múnla Cineál cábla
    N- JW5 SFCJ-50-3-51, SYV-50-3-4, RG142
    N- JW7 SFCJ-50-5-51, SYV-50-5-1
    N- JW10 SFCJ-50-7-51, SYV-50-7-2
  • N- JW8A
    N- JW8A
    Múnla Cineál cábla
    N- JW8A FFB311A, SYV-50-5
    N- JW12A SYV-75-3
    N- JW13A SYV-75-5
  • N- K3
    N- K3
    Múnla Cineál cábla
    N- K3 SYV-50-2-1,RG316
  • N- K5
    N- K5
    Múnla Cineál cábla L
    N- K5 SYV-50-3, RG142, SFCJ-50-3-51 36
    N- K7 SYV-50-5-1, SFCJ-50-5-51 38
    N- K10 SYV-50-7-1, SFCJ-50-7-51 38
  • N- KF5
    N- KF5
    Múnla Cineál cábla L
    N- KF5 SYV-50-3, RG142, SFCJ-50-3-51 36
    N- KF7 SYV-50-5-1, SFCJ-50-5-51 38
    N- KF10 SYV-50-7-1, SFCJ-50-7-51 38
  • N- KF3A
    N- KF3A
    Múnla Cineál cábla L
    N- KF3A SYV-50-2-1,RG316 33
    N- KF5A SYV-50-3-4,RG142 42
  • N- KY3Y
    N- KY3Y
    Múnla Cineál cábla
    N- KY3Y SYV-50-2-1,RG316
  • N-KFD
    N-KFD
    Múnla L L1 L2
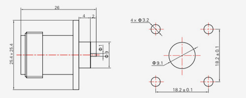
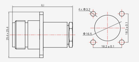
    KFD 26 4 2
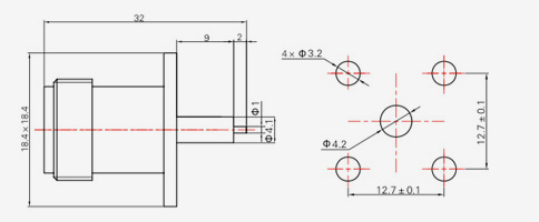
    KFD2 31 6 5
    KFD15 30 6 4
    KFD16 28.5 6 2.5
    KFD17 28 6 2
    KFD18 29 5 4
    KFD19 29 4 5
    KFD20 33 4 9
  • N-KF
    N-KF
  • N- JFD1
    N- JFD1
  • N- JFD2
    N- JFD2
  • N- JFD3
    N- JFD3
  • N- JFD23
    N- JFD23
  • N- KFD1
    N- KFD1
  • N- KFD7
    N- KFD7
  • N- KFD11
    N- KFD11
  • N- KFD50
    N- KFD50
  • N-KFD-Z
    N-KFD-Z
  • N- KFD9
    N- KFD9
  • N- KFD14
    N- KFD14

COINNIGH I dTEAGMHÁIL

[#ionchur#]
ISTEACH
Fúinn
Tá Ningbo Hanson Communication Technology Co., Ltd.
Tá Ningbo Hanson Communication Technology Co., Ltd.
Ningbo Hanson Communication Technology Co., Ltd. is China N type RF Coaxial Connector Supplier and Custom N type RF Coaxial Connector Company. We are a manufacturer specializing in the production, processing, and trade of communication components, with more than 30 years of experience in RF coaxial connectors, adapters, and cable assemblies. Tá a ceardlann meaisínithe féin, ceardlann leictreaphlátála, ceardlann tionóil, agus grúpa soláthraithe cobhsaí agus iontaofa forbartha ag an gcuideachta anois. Is é cuspóir na cuideachta táirgí ardchaighdeáin a sholáthar do chustaiméirí. Na príomh-tháirgí is cónaisc comhaiseach RF, oiriúntóirí, tionóil cábla ard-minicíochta, agus tionóil cábla idirmhodúcháin íseal. Ina theannta sin, is féidir leis an gcuideachta seirbhísí a sholáthar do chustaiméirí a bhfuil riachtanais shaincheaptha acu freisin chun freastal ar riachtanais speisialta na gcustaiméirí maidir le táirgí. Úsáidtear táirgí na cuideachta go forleathan i aeraspáis, stáisiúin bonn cumarsáide, trealamh leighis, agus réimsí ardteicneolaíochta eile. Ag an am athchóirithe fiontair, nuálaíochta, forbartha, agus fáis, ghlac an chuideachta an tionscnamh a bheith páirteach sa chóras bainistíochta cáilíochta ISO9001 idirnáisiúnta agus feabhas leanúnach ar an leibhéal bainistíochta chun táirgí agus seirbhísí níos sásúla a sholáthar do chustaiméirí nua agus sean.
Nuacht is Déanaí
Ag Lorg Deis Gnó?

Iarratas ar ghlao inniu