OEM Nascóir TNC Supplier

Nascóir TNC

Cur síos:

Déantar nascóirí comhaiseacha sraith TNC RF a fhorbairt agus a tháirgeadh de réir caighdeán míleata na SA MIL-C-39012. Tá tréithe bandaleithead leathan acu, nasc iontaofa, agus friotaíocht turraing maith. Tá siad oiriúnach do chónaisc agus cáblaí RF le haghaidh ionchur comhartha agus aschur trealaimh raidió, ionstraimí leictreonacha, comhpháirteanna léasair éagsúla.

Paraiméadar:

Príomh-Sonraíochtaí Teicniúla:
◆ Impedance Saintréith: 50Ω
◆ Raon Minicíocht: DC-18GHz
◆ Friotaíocht Insliú: ≥5000MΩ
◆ Tréleictreach Seasann Voltas: 1500V(rms)
◆ Cóimheas Seasmhach Tonn Voltais (VSWR): ≤1.30
◆ Timthriallta Cúplála: 500 uair

Fiosraigh

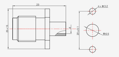
Dim
Ltr
milliméadar (orlach)
íosmhéid Uasmhéid
A .378 (9.60) .381 (9.68)
b .346 (8.79) .356 (9.04)
c .327 (8.31) .333 (8.46)
D .319 (8.10) .321 (8.15)
E ------ .186 (4.72)
F .068 (1.73) .088 (2.24)
G .327 (8.31) .335 (8.51)
H .187 (4.75) ------
J .186 (4.72) .206 (5.23)
K ------ .006 (0.15)
L .195 (4.95) ------
M .081 (2. 06) .087 (2. 21)
N ------ .256 (6.50)
p .188 (4.78) .208 (5.28)
R .414 (10.52) ------
T .015 (0.38) .030 (0.76)

Nótaí:
1. comhlíonfaidh an comhéadan seo na ceanglais tomhsaire mar atá sonraithe in
MIL-pRF-39012/28.
2. Imréiteach le haghaidh cnó cúplála cónascaire cúplála.
3. Tá feidhm ag an toise maidir leis an gcuid sin (más infheidhme) den tréleictreach
a protrudes thar an miotail
gualainn (nó eitleán tagartha) de réir toise K.
4. ID chun VSwR a chomhlíonadh nuair a bhíonn sé cúpláilte le bioráin trastomhas .052 orlach (1.32 mm) / .054 (1.37 mm).

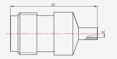
Dim
Ltr
milliméadar (orlach)
íosmhéid Uasmhéid
A .440 (11.18) ------
b Tástáil tomhsaire
c .190 (4.83) ------
D .052 (1.32) .054 (1.37)
E .210 (5.33) .230 (5.84)
F .006 (0.15) ------
G .208 (5.28) .228 (5.79)
H .003 (0.08) .040 (1.02)
K .078 (1.98) ------
M ------ .078 (1.98)
N .063 (1.60) ------
p .156 (3.96) ------
R ------ .025 (0.64)
T ------ .322 (8.18)

Nótaí:
1. comhlíonfaidh an comhéadan seo na ceanglais tomhsaire mar atá sonraithe in MIL-PRF-39012/26.

TNC SERIES
  • TNC- KF3A
    TNC- KF3A
    Múnla Cineál cábla
    TNC- KF3A SYV-50-2-1,RG316
    TNC-KF5A SYV-50-3,RG142,SFCJ-50-3-51
  • TNC-KF3A-1
    TNC-KF3A-1
    Múnla Cineál cábla
    TNC-KF3A-1 SYV-50-2-1,RG316
  • TNC-JB2
    TNC-JB2
    Múnla Cineál cábla d
    TNC-JB2 SFT-50-2,670-086 Φ2.2
    TNC-JB3 SFT-50-3,670-141 3.6
  • TNC-JWB2
    TNC-JWB2
    Múnla Cineál cábla d
    TNC-JWB2 SFT-50-2,670-086 Φ2.2
    TNC-JWB3 SFT-50-3,670-141 3.6
  • TNC- KB2
    TNC- KB2
    Múnla Cineál cábla d
    TNC- KB2 SFT-50-2,670-086 Φ2.2
    TNC- KB3 SFT-50-3,670-141 3.6
  • TNC-KFB2
    TNC-KFB2
    Múnla Cineál cábla d
    TNC-KFB2 SFT-50-2,670-086 Φ2.2
    TNC- KFB3 SFT-50-3,670-141 3.6
  • TNC-KFB2-1
    TNC-KFB2-1
    Múnla Cineál cábla d
    TNC-KFB2-1 SFT-50-2,670-086 Φ2.2
    TNC-KFB3-1 SFT-50-3,670-141 3.6
  • TNC- KFD2
    TNC- KFD2
    Múnla L L1
    KFD2 27 3.5
    KFD3 22 2
  • TNC-J3A
    TNC-J3A
    Múnla Cineál cábla
    TNC-J3A SYV-50-2-1,RG316
    TNC-J5A SYV-50-3-4, RG142, SFCJ-50-3-51
    TNC-J5AC
  • TNC-J4
    TNC-J4
    Múnla Cineál cábla L
    TNC-J4 SYV-50-2-2 31
    TNC-J5 SYV-50-3-4, SFCJ-50-3-51,RG316 31
    TNC-(K)5
    TNC-J5C
    TNC-J7 SYV-50-5-1, SFCJ-50-5-51 36
    TNC-J7C
    TNC-J10 SYV-50-7-1, SYV-50-7-2, SFCJ-50-7-51 36
    TNC-J10C
  • TNC-JW5
    TNC-JW5
    Múnla Cineál cábla
    TNC-JW5 SYV-50-3-4, SFCJ-50-3-51, RG142
    TNC-JW7 SYV-50-5-1, SFCJ-50-5-51
    TNC-JW10 SYV-50-7-2, SFCJ-50-7-51
  • TNC-JW5-1
    TNC-JW5-1
    Múnla Cineál cábla
    TNC-JW5-1 SYV-50-3-4,SFCJ-50-3-51,RG142
  • TNC-K5
    TNC-K5
    Múnla Cineál cábla L
    TNC-K5 SYV-50-3-4, SFCJ-50-3-51,RG142 31
    TNC-(J)5
    TNC-K7 SYV-50-5-1, SFCJ-50-5-51 33
    TNC-K10 SYV-50-7-1, SYV-50-7-2, SFCJ-50-7-51 33
  • TNC- KFD1
    TNC- KFD1
  • TNC- KFD4
    TNC- KFD4

COINNIGH I dTEAGMHÁIL

[#ionchur#]
ISTEACH
Fúinn
Tá Ningbo Hanson Communication Technology Co., Ltd.
Tá Ningbo Hanson Communication Technology Co., Ltd.
Ningbo Hanson Communication Technology Co., Ltd. is China Nascóir TNC Supplier and Custom Nascóir TNC Company. We are a manufacturer specializing in the production, processing, and trade of communication components, with more than 30 years of experience in RF coaxial connectors, adapters, and cable assemblies. Tá a ceardlann meaisínithe féin, ceardlann leictreaphlátála, ceardlann tionóil, agus grúpa soláthraithe cobhsaí agus iontaofa forbartha ag an gcuideachta anois. Is é cuspóir na cuideachta táirgí ardchaighdeáin a sholáthar do chustaiméirí. Na príomh-tháirgí is cónaisc comhaiseach RF, oiriúntóirí, tionóil cábla ard-minicíochta, agus tionóil cábla idirmhodúcháin íseal. Ina theannta sin, is féidir leis an gcuideachta seirbhísí a sholáthar do chustaiméirí a bhfuil riachtanais shaincheaptha acu freisin chun freastal ar riachtanais speisialta na gcustaiméirí maidir le táirgí. Úsáidtear táirgí na cuideachta go forleathan i aeraspáis, stáisiúin bonn cumarsáide, trealamh leighis, agus réimsí ardteicneolaíochta eile. Ag an am athchóirithe fiontair, nuálaíochta, forbartha, agus fáis, ghlac an chuideachta an tionscnamh a bheith páirteach sa chóras bainistíochta cáilíochta ISO9001 idirnáisiúnta agus feabhas leanúnach ar an leibhéal bainistíochta chun táirgí agus seirbhísí níos sásúla a sholáthar do chustaiméirí nua agus sean.
Nuacht is Déanaí
Ag Lorg Deis Gnó?

Iarratas ar ghlao inniu