OEM SMP Cónascaire Séalaithe heirméiteach Supplier

Tá Ningbo Hanson Communication Technology Co., Ltd. Baile / Táirgí / Sraith Séalaithe heirméiteach / SMP Cónascaire Séalaithe heirméiteach

SMP Cónascaire Séalaithe heirméiteach

Cur síos:

Tá tréithe an phacáistithe hermetic ag cónascaire comhaiseach RF cineál SMP-J agus is féidir é a phacáistiú agus a tháthú ar an bhlaosc feadán nó ar an bpainéal feiste. Tá bhlaosc agus seoltóir istigh an táirge seo déanta as ábhar cóimhiotail Kovar, agus is féidir an dromchla a phláta le hór crua nó le hór bog; tá an meán inslithe déanta as gloine sintéaraithe ag teocht ard, agus tá an tairiseach tréleictreach thart ar 4. Tá na buntáistí a bhaineann le méid beag, meáchan éadrom, séalaithe heirméiteach, iontaofacht ard, etc.

Fiosraigh

Struchtúr bunúsach:
De ghnáth tá cónascaire comhaiseach RF aer-séalaithe cineál SMP-J comhdhéanta de thrí chuid: seoltóir seachtrach, meán gloine agus seoltóir istigh, agus léirítear an struchtúr bunúsach san fhigiúr.

Nuair a bhíonn an chuid nochta de sheoltóir istigh an táirge ceangailte trí chur isteach nó táthú dromchla, is féidir aghaidh deiridh an seoltóra istigh a tháirgeadh mar cheann sféarúil; nuair a bhíonn an chuid nochta de sheoltóir istigh an táirge ceangailte trí nascáil, is féidir aghaidh deiridh an tseoltóra istigh a tháirgeadh mar cheann árasán nó is féidir taobh an chuid nochta den seoltóir istigh a mheilt.

Príomhpharaiméadair theicniúla:

Tréithe Leictreacha
Impedance tréith 50Ω Raon Minicíochta DC~40GHz
Tréleictreach In ainneoin Voltas 500 Vrms Friotaíocht inslithe 2000M Ω
Voltas VSWR <1.4 Caillteanas Ionsáigh ≤0.05 √f dB(GHz)
Ábhar agus airíonna meicniúla, comhshaoil
Cásáil Cóimhiotal Lavable / Óir Plátáilte pionnaí Tóiriam breiseán Plátáil Óir Cóimhiotail inchurtha
Meán inslithe Gloine Marthanacht an Chónascaire Coinneáil Iomlán ≥100 uair
Ráta sceite ≤1.01325×10 Pa ·m³/s Coinneálaí Teoranta ≥500 uair
Teocht oibriúcháin -65 ℃ ~ 165 ℃ Bore Smooth ≥1000 uair

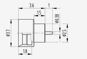
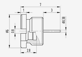
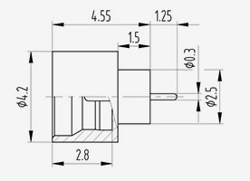
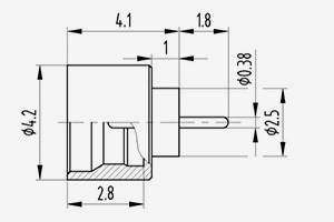
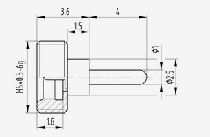
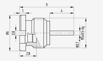
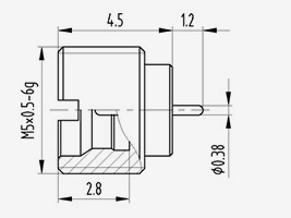
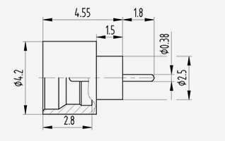
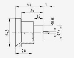
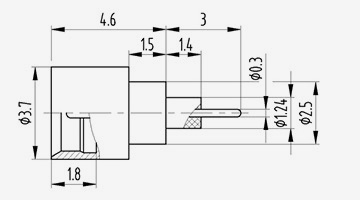
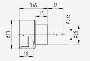
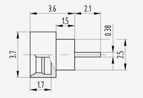
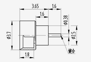
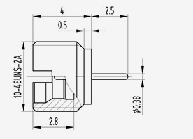
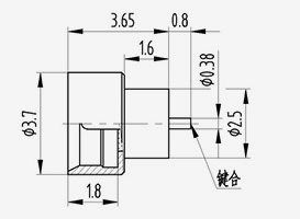
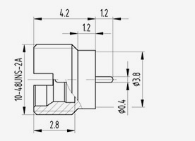
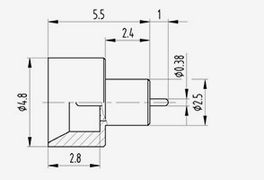
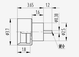
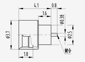
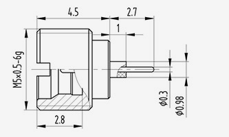
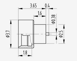
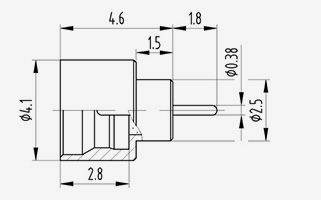
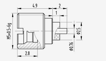
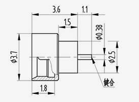
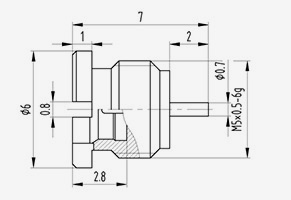
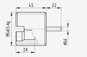
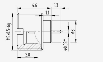
Toisí Comhéadain:
Tá trí fhoirm chomhéadain ag nascóirí comhaiseacha RF aer-séalaithe SMP-J: céimshrianta iomlán, leathshéalaithe, agus poll éadrom. Agus an tsamhail á ainmniú, ciallaíonn F céimshrianta iomlán, ciallaíonn L leathshrianadh, agus ciallaíonn S poll éadrom. Roinntear toisí an chomhéadain i toisí caighdeánacha comhéadan agus toisí gearra comhéadan, agus tá an dá cheann acu idirmhalartaithe le plocóidí cineál SMP-K.

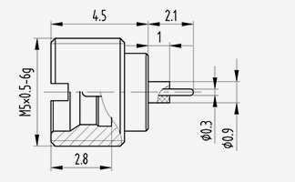
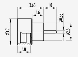
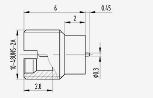
Méid Comhéadain Caighdeánach:

Méid an chomhéadain:

SMP SERIES
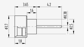
  • SMP(M)-JYD3S
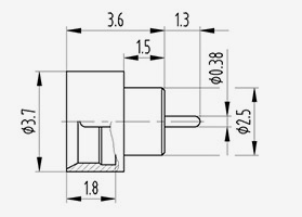
    SMP(M)-JYD3S
    Múnla Nótaí
    SMP(M)-JYD3S Borradh Smooth
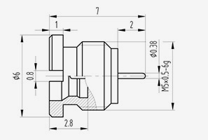
  • SMP(M)-JYD6L
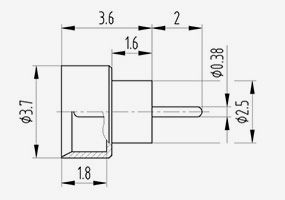
    SMP(M)-JYD6L
    Múnla Nótaí
    SMP(M)-JYD6L Coinneálaí Teoranta
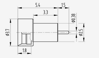
  • SMP(M)-JYD12L
    SMP(M)-JYD12L
    Múnla Nótaí
    SMP(M)-JYD12L Coinnle Iomlán
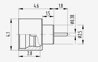
  • SMP(M)-JYD13F
    SMP(M)-JYD13F
    Múnla Nótaí
    SMP(M)-JYD13F Coinnle Iomlán
  • SMP(M)-JYD14L
    SMP(M)-JYD14L
    Múnla Nótaí
    SMP(M)-JYD14L Coinneálaí Teoranta
  • SMP(M)-JYD17S
    SMP(M)-JYD17S
    Múnla Nótaí
    SMP(M)-JYD17S Borradh Smooth
  • SMP(M)-JYD19L
    SMP(M)-JYD19L
    Múnla Nótaí
    SMP(M)-JYD19L Coinneálaí Teoranta
  • SMP(M)-JYD22S
    SMP(M)-JYD22S
    Múnla Nótaí
    SMP(M)-JYD22S Coinneálaí Teoranta
  • SMP(M)-JYD23S
    SMP(M)-JYD23S
    Múnla Nótaí
    SMP(M)-JYD23S Coinneálaí Teoranta
  • SMP(M)-JYD24S
    SMP(M)-JYD24S
    Múnla Nótaí
    SMP(M)-JYD24S Coinneálaí Teoranta
  • SMP(M)-JYD25L
    SMP(M)-JYD25L
    Múnla Nótaí
    SMP(M)-JYD25L Coinneálaí Teoranta
  • SMP(M)-JYD26L
    SMP(M)-JYD26L
    Múnla Nótaí
    SMP(M)-JYD26L Coinneálaí Teoranta
  • SMP(M)-JYD27L
    SMP(M)-JYD27L
    Múnla Nótaí
    SMP(M)-JYD27L Coinneálaí Teoranta
  • SMP(M)-JYD28L
    SMP(M)-JYD28L
    Múnla Nótaí
    SMP(M)-JYD28L Coinneálaí Teoranta
  • SMP(M)-JYD29L
    SMP(M)-JYD29L
    Múnla Nótaí
    SMP(M)-JYD29L Coinneálaí Teoranta
  • SMP(M)-JYD30L
    SMP(M)-JYD30L
    Múnla Nótaí
    SMP(M)-JYD30L Coinneálaí Teoranta
  • SMP(M)-JYD31L
    SMP(M)-JYD31L
    Múnla Nótaí
    SMP(M)-JYD31L Coinneálaí Teoranta
  • SMP(M)-JYD32F
    SMP(M)-JYD32F
    Múnla Nótaí
    SMP(M)-JYD32F Coinneálaí Teoranta
  • SMP(M)-JYD33L
    SMP(M)-JYD33L
    Múnla Nótaí
    SMP(M)-JYD33L Coinneálaí Teoranta
  • SMP(M)-JYD34L
    SMP(M)-JYD34L
    Múnla Nótaí
    SMP(M)-JYD34L Coinneálaí Teoranta
  • SMP(M)-JYD35L
    SMP(M)-JYD35L
    Múnla Nótaí
    SMP(M)-JYD35L Coinneálaí Teoranta
  • SMP(M)-JYD37L
    SMP(M)-JYD37L
    Múnla Nótaí
    SMP(M)-JYD37L Coinneálaí Teoranta
  • SMP(M)-JYD41L
    SMP(M)-JYD41L
    Múnla Nótaí
    SMP(M)-JYD41L Coinneálaí Teoranta
  • SMP(M)-JYD42S
    SMP(M)-JYD42S
    Múnla Nótaí
    SMP(M)-JYD42S Coinneálaí Teoranta
  • SMP(M)-JYD43L
    SMP(M)-JYD43L
    Múnla Nótaí
    SMP(M)-JYD43L Coinneálaí Teoranta
  • SMP(M)-JYD44L
    SMP(M)-JYD44L
    Múnla Nótaí
    SMP(M)-JYD44L Coinneálaí Teoranta
  • SMP(M)-JYD45L
    SMP(M)-JYD45L
    Múnla Nótaí
    SMP(M)-JYD45L Coinneálaí Teoranta
  • SMP(M)-JYD46L
    SMP(M)-JYD46L
    Múnla Nótaí
    SMP(M)-JYD46L Coinneálaí Teoranta
  • SMP(M)-JYD47L
    SMP(M)-JYD47L
    Múnla Nótaí
    SMP(M)-JYD47L Coinneálaí Teoranta
  • SMP(M)-JYD48L
    SMP(M)-JYD48L
    Múnla Nótaí
    SMP(M)-JYD48L Coinneálaí Teoranta
  • SMP(M)-JYD49L
    SMP(M)-JYD49L
    Múnla Nótaí
    SMP(M)-JYD49L Coinneálaí Teoranta
  • SMP(M)-JYD50S
    SMP(M)-JYD50S
    Múnla Nótaí
    SMP(M)-JYD50S Borradh Smooth
  • SMP(M)-JYD51L
    SMP(M)-JYD51L
    Múnla Nótaí
    SMP(M)-JYD51L Coinneálaí Teoranta
  • SMP(M)-JYD52S
    SMP(M)-JYD52S
    Múnla Nótaí
    SMP(M)-JYD52S Borradh Smooth
  • SMP(M)-JYD53L
    SMP(M)-JYD53L
    Múnla Nótaí
    SMP(M)-JYD53L Coinneálaí Teoranta
  • SMP(M)-JYD54S
    SMP(M)-JYD54S
    Múnla Nótaí
    SMP(M)-JYD54S Borradh Smooth
  • SMP(M)-JYD55L
    SMP(M)-JYD55L
    Múnla Nótaí
    SMP(M)-JYD55L Coinneálaí Teoranta
  • SMP(M)-JYD57S
    SMP(M)-JYD57S
    Múnla Nótaí
    SMP(M)-JYD57S Borradh Smooth
  • SMP(M)-JYD80L
    SMP(M)-JYD80L
    Múnla Nótaí
    SMP(M)-JYD80L Coinneálaí Teoranta
  • SMP(M)-JYD81L
    SMP(M)-JYD81L
    Múnla Nótaí
    SMP(M)-JYD81L Coinneálaí Teoranta
  • SMP(M)-JYD82L
    SMP(M)-JYD82L
    Múnla Nótaí
    SMP(M)-JYD82L Coinneálaí Teoranta
  • SMP(M)-JYD83F
    SMP(M)-JYD83F
    Múnla Nótaí
    SMP(M)-JYD83F Coinnle Iomlán
  • SMP(M)-JYD84S
    SMP(M)-JYD84S
    Múnla Nótaí
    SMP(M)-JYD84S Borradh Smooth
  • SMP(M)-JYD85S
    SMP(M)-JYD85S
    Múnla Nótaí
    SMP(M)-JYD85S Borradh Smooth
  • SMP(M)-JYD86L
    SMP(M)-JYD86L
    Múnla Nótaí
    SMP(M)-JYD86L Coinneálaí Teoranta
  • SMP(M)-JYD87S
    SMP(M)-JYD87S
    Múnla Nótaí
    SMP(M)-JYD87S Borradh Smooth
  • SMP(M)-JYD88L
    SMP(M)-JYD88L
    Múnla Nótaí
    SMP(M)-JYD88L Coinneálaí Teoranta
  • SMP(M)-JYD89L
    SMP(M)-JYD89L
    Múnla Nótaí
    SMP(M)-JYD89L Coinneálaí Teoranta
  • SMP(M)-JYD90L
    SMP(M)-JYD90L
    Múnla Nótaí
    SMP(M)-JYD90L Coinneálaí Teoranta
  • SMP(M)-JYD91L
    SMP(M)-JYD91L
    Múnla Nótaí
    SMP(M)-JYD91L Coinneálaí Teoranta
  • SMP(M)-JYD92L
    SMP(M)-JYD92L
    Múnla Nótaí
    SMP(M)-JYD92L Coinneálaí Teoranta
  • SMP(M)-JYD93S
    SMP(M)-JYD93S
    Múnla Nótaí
    SMP(M)-JYD93S Borradh Smooth
  • SMP(M)-JYD94L
    SMP(M)-JYD94L
    Múnla Nótaí
    SMP(M)-JYD94L Coinneálaí Teoranta
  • SMP(M)-JYD95L
    SMP(M)-JYD95L
    Múnla Nótaí
    SMP(M)-JYD95L Coinneálaí Teoranta
  • SMP(M)-JYD96L
    SMP(M)-JYD96L
    Múnla Nótaí
    SMP(M)-JYD96L Coinneálaí Teoranta
  • SMP(M)-JYD97S
    SMP(M)-JYD97S
    Múnla Nótaí
    SMP(M)-JYD97S Borradh Smooth
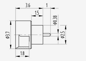
  • SMP(M)-JYJ1S
    SMP(M)-JYJ1S
    Múnla Nótaí
    SMP(M)-JYJ1S Borradh Smooth

COINNIGH I dTEAGMHÁIL

[#ionchur#]
ISTEACH
Fúinn
Tá Ningbo Hanson Communication Technology Co., Ltd.
Tá Ningbo Hanson Communication Technology Co., Ltd.
Ningbo Hanson Communication Technology Co., Ltd. is China SMP Cónascaire Séalaithe heirméiteach Supplier and Custom SMP Cónascaire Séalaithe heirméiteach Company. We are a manufacturer specializing in the production, processing, and trade of communication components, with more than 30 years of experience in RF coaxial connectors, adapters, and cable assemblies. Tá a ceardlann meaisínithe féin, ceardlann leictreaphlátála, ceardlann tionóil, agus grúpa soláthraithe cobhsaí agus iontaofa forbartha ag an gcuideachta anois. Is é cuspóir na cuideachta táirgí ardchaighdeáin a sholáthar do chustaiméirí. Na príomh-tháirgí is cónaisc comhaiseach RF, oiriúntóirí, tionóil cábla ard-minicíochta, agus tionóil cábla idirmhodúcháin íseal. Ina theannta sin, is féidir leis an gcuideachta seirbhísí a sholáthar do chustaiméirí a bhfuil riachtanais shaincheaptha acu freisin chun freastal ar riachtanais speisialta na gcustaiméirí maidir le táirgí. Úsáidtear táirgí na cuideachta go forleathan i aeraspáis, stáisiúin bonn cumarsáide, trealamh leighis, agus réimsí ardteicneolaíochta eile. Ag an am athchóirithe fiontair, nuálaíochta, forbartha, agus fáis, ghlac an chuideachta an tionscnamh a bheith páirteach sa chóras bainistíochta cáilíochta ISO9001 idirnáisiúnta agus feabhas leanúnach ar an leibhéal bainistíochta chun táirgí agus seirbhísí níos sásúla a sholáthar do chustaiméirí nua agus sean.
Nuacht is Déanaí
Ag Lorg Deis Gnó?

Iarratas ar ghlao inniu