OEM SMPM Ceanglóir Séalaithe heirméiteach Supplier

Tá Ningbo Hanson Communication Technology Co., Ltd. Baile / Táirgí / Sraith Séalaithe heirméiteach / SMPM Ceanglóir Séalaithe heirméiteach

SMPM Ceanglóir Séalaithe heirméiteach

Cur síos:

Is cónascaire séalaithe SMPM (SubMiniature Push-on Micro) cónascaire RF miniaturized le céimshrianta iomlán, leath-éalú, agus poll éadrom, atá deartha le haghaidh minicíocht ard, spás dlúth, agus iarratais éadrom. Is cónascaire brú ar aghaidh é, a úsáidtear go coitianta i gcumarsáid agus trealamh leictreonach a éilíonn meáchan íseal, ard-iontaofacht, agus méid beag. Tá ardcháilíocht tarchurtha comhartha ag nascóirí SMPM agus is féidir leo feidhmíocht leictreach maith a sholáthar.

Fiosraigh

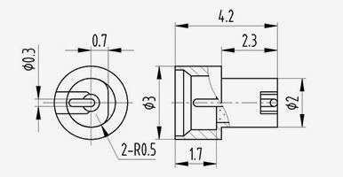
Struchtúr bunúsach:
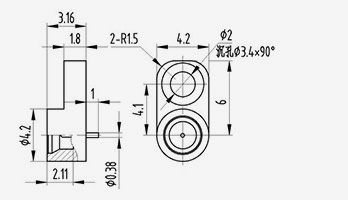
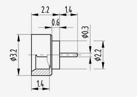
Tá cónascaire comhaiseach RF aer-séalaithe de chineál SMPM-J comhdhéanta de thrí chuid: seoltóir seachtrach, meán gloine agus seoltóir istigh, taispeántar an struchtúr bunúsach san fhigiúr thíos:

Príomhpharaiméadair Theicniúla:

Tréithe Leictreacha
Impedance tréith 50Ω Raon Minicíochta DC~40GHz
Tréleictreach In ainneoin Voltas 500 Vrms Friotaíocht inslithe 2000M Ω
Voltas VSWR <1.4 Caillteanas Ionsáigh ≤0.05 √f dB(GHz)
Ábhar agus airíonna meicniúla, comhshaoil
Cásáil Cóimhiotal Lavable / Óir Plátáilte pionnaí Cóimhiotal lavable / plátáilte ór
Meán inslithe Gloine Marthanacht an Chónascaire Éalú Iomlán 100 uair
Ráta sceite ≤1.01325×10 Pa ·m³/s poll optúil 1000 uair
Teocht oibriúcháin -65 ℃ ~ 165 ℃

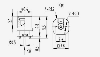
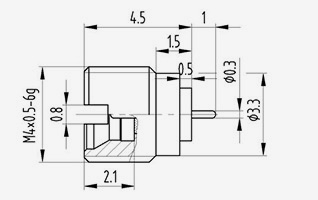
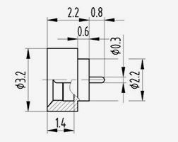
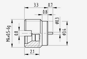
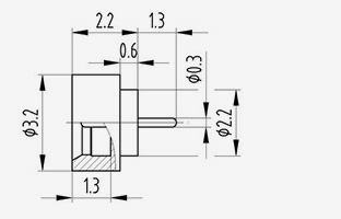
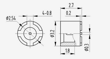
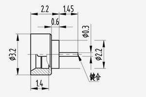
Méid an Chomhéadain:
Tá dhá fhoirm chomhéadain ag nascóirí comhaiseacha RF aer-séalaithe SMPM-J: céimshrianta iomlán agus poll lom. Nuair a bhíonn múnla á ainmniú, léiríonn F céimshrianta iomlán agus
Ciallaíonn S poll éadrom. Roinntear toisí an chomhéadain i toisí caighdeánacha comhéadan agus toisí gearra comhéadan, agus tá an dá cheann acu idirmhalartaithe le plocóidí cineál SMPM-K.
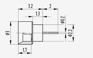
Méid comhéadan caighdeánach:

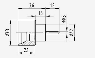
Toisí gairide an chomhéadain:

SMPM SERIES
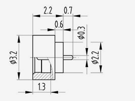
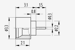
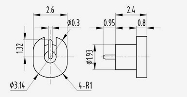
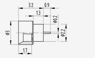
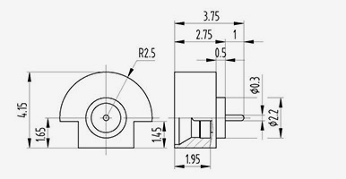
  • SMPM(M)-JYD3S
    SMPM(M)-JYD3S
    Múnla Nótaí
    SMPM(M)-JYD3S Borradh Smooth
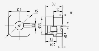
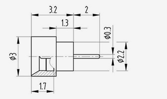
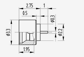
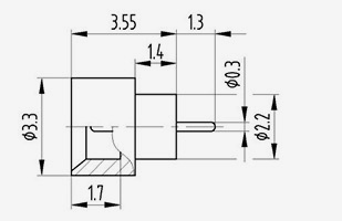
  • SMPM(M)-JYD5S
    SMPM(M)-JYD5S
    Múnla Nótaí
    SMPM(M)-JYD5S Borradh Smooth
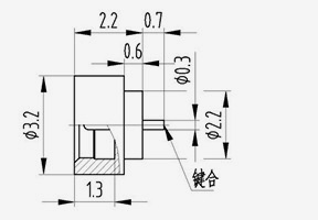
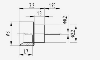
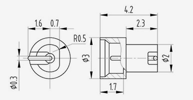
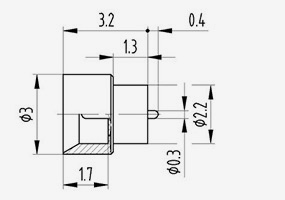
  • SMPM(M)-JYD8F
    SMPM(M)-JYD8F
    Múnla Nótaí
    SMPM(M)-JYD8F Coinnle Iomlán
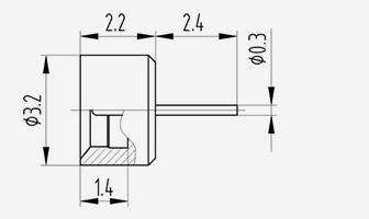
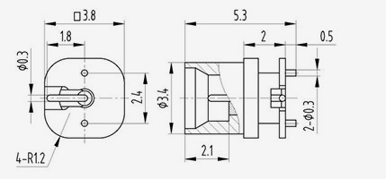
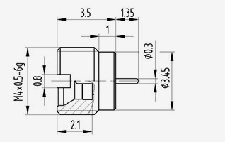
  • SMPM(M)-JYD10F
    SMPM(M)-JYD10F
    Múnla Nótaí
    SMPM(M)-JYD10F Coinnle Iomlán
  • SMPM(M)-JYD12S
    SMPM(M)-JYD12S
    Múnla Nótaí
    SMPM(M)-JYD12S Borradh Smooth
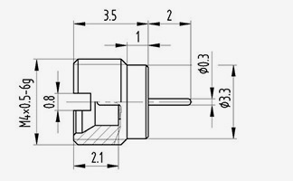
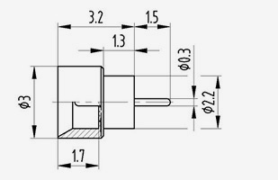
  • SMPM(M)-JYD13F
    SMPM(M)-JYD13F
    Múnla Nótaí
    SMPM(M)-JYD13F Coinnle Iomlán
  • SMPM(M)-JYD14F
    SMPM(M)-JYD14F
    Múnla Nótaí
    SMPM(M)-JYD14F Coinnle Iomlán
  • SMPM(M)-JYD15F
    SMPM(M)-JYD15F
    Múnla Nótaí
    SMPM(M)-JYD15F Coinnle Iomlán
  • SMPM(M)-JYD17S
    SMPM(M)-JYD17S
    Múnla Nótaí
    SMPM(M)-JYD17S Borradh Smooth
  • SMPM(M)-JYD18S
    SMPM(M)-JYD18S
    Múnla Nótaí
    SMPM(M)-JYD18S Borradh Smooth
  • SMPM(M)-JYD19S
    SMPM(M)-JYD19S
    Múnla Nótaí
    SMPM(M)-JYD19S Borradh Smooth
  • SMPM(M)-JYD20F
    SMPM(M)-JYD20F
    Múnla Nótaí
    SMPM(M)-JYD20F Coinnle Iomlán
  • SMPM(M)-JYD21S
    SMPM(M)-JYD21S
    Múnla Nótaí
    SMPM(M)-JYD21S Borradh Smooth
  • SMPM(M)-JYD22F
    SMPM(M)-JYD22F
    Múnla Nótaí
    SMPM(M)-JYD22F Coinnle Iomlán
  • SMPM(M)-JYD23S
    SMPM(M)-JYD23S
    Múnla Nótaí
    SMPM(M)-JYD23S Borradh Smooth
  • SMPM(M)-JYD24F
    SMPM(M)-JYD24F
    Múnla Nótaí
    SMPM(M)-JYD24F Coinnle Iomlán
  • SMPM(M)-JYD25F
    SMPM(M)-JYD25F
    Múnla Nótaí
    SMPM(M)-JYD25F Coinnle Iomlán
  • SMPM(M)-JYD26F
    SMPM(M)-JYD26F
    Múnla Nótaí
    SMPM(M)-JYD26F Coinnle Iomlán
  • SMPM(M)-JYD27S
    SMPM(M)-JYD27S
    Múnla Nótaí
    SMPM(M)-JYD27S Borradh Smooth
  • SMPM(M)-JYD28S
    SMPM(M)-JYD28S
    Múnla Nótaí
    SMPM(M)-JYD28S Borradh Smooth
  • SMPM(M)-JYD29F
    SMPM(M)-JYD29F
    Múnla Nótaí
    SMPM(M)-JYD29F Coinnle Iomlán
  • SMPM(M)-JYD30S
    SMPM(M)-JYD30S
    Múnla Nótaí
    SMPM(M)-JYD30S Borradh Smooth
  • SMPM(M)-JYD31F
    SMPM(M)-JYD31F
    Múnla Nótaí
    SMPM(M)-JYD31F Coinnle Iomlán
  • SMPM(M)-JYD32F
    SMPM(M)-JYD32F
    Múnla Nótaí
    SMPM(M)-JYD32F Coinnle Iomlán
  • SMPM(M)-JYD33S
    SMPM(M)-JYD33S
    Múnla Nótaí
    SMPM(M)-JYD33S Borradh Smooth
  • SMPM(M)-JYD34S
    SMPM(M)-JYD34S
    Múnla Nótaí
    SMPM(M)-JYD34S Borradh Smooth
  • SMPM(M)-JYD35S
    SMPM(M)-JYD35S
    Múnla Nótaí
    SMPM(M)-JYD35S Borradh Smooth
  • SMPM(M)-JYD36S
    SMPM(M)-JYD36S
    Múnla Nótaí
    SMPM(M)-JYD36S Borradh Smooth
  • SMPM(M)-JYD37S
    SMPM(M)-JYD37S
    Múnla Nótaí
    SMPM(M)-JYD37S Borradh Smooth
  • SMPM(M)-JYD38S
    SMPM(M)-JYD38S
    Múnla Nótaí
    SMPM(M)-JYD38S Borradh Smooth
  • SMPM(M)-JYD39S
    SMPM(M)-JYD39S
    Múnla Nótaí
    SMPM(M)-JYD39S Borradh Smooth
  • SMPM(M)-JYD41S
    SMPM(M)-JYD41S
    Múnla Nótaí
    SMPM(M)-JYD41S Borradh Smooth
  • SMPM(M)-JYD42S
    SMPM(M)-JYD42S
    Múnla Nótaí
    SMPM(M)-JYD42S Borradh Smooth
  • SMPM(M)-JYD43F
    SMPM(M)-JYD43F
    Múnla Nótaí
    SMPM(M)-JYD43F Coinnle Iomlán
  • SMPM(M)-JYD44F
    SMPM(M)-JYD44F
    Múnla Nótaí
    SMPM(M)-JYD44F Coinnle Iomlán
  • SMPM(M)-JYD45S
    SMPM(M)-JYD45S
    Múnla Nótaí
    SMPM(M)-JYD45S Borradh Smooth
  • SMPM(M)-JYD46S
    SMPM(M)-JYD46S
    Múnla Nótaí
    SMPM(M)-JYD46S Borradh Smooth
  • SMPM(M)-JYD60F
    SMPM(M)-JYD60F
    Múnla Nótaí
    SMPM(M)-JYD60F Coinnle Iomlán
  • SMPM(M)-JYD61F
    SMPM(M)-JYD61F
    Múnla Nótaí
    SMPM(M)-JYD61F Coinnle Iomlán
  • SMPM(M)-JYD62F
    SMPM(M)-JYD62F
    Múnla Nótaí
    SMPM(M)-JYD62F Coinnle Iomlán
  • SMPM(M)-JYD63S
    SMPM(M)-JYD63S
    Múnla Nótaí
    SMPM(M)-JYD63S Borradh Smooth
  • SMPM(M)-JYD64S
    SMPM(M)-JYD64S
    Múnla Nótaí
    SMPM(M)-JYD64S Borradh Smooth
  • SMPM(M)-JYD65S
    SMPM(M)-JYD65S
    Múnla Nótaí
    SMPM(M)-JYD65S Borradh Smooth
  • SMPM(M)-JYD66S
    SMPM(M)-JYD66S
    Múnla Nótaí
    SMPM(M)-JYD66S Borradh Smooth
  • SMPM(M)-JHD1S
    SMPM(M)-JHD1S
    Múnla Nótaí
    SMPM(M)-JHD1S Borradh Smooth
  • SMPM(M)-JHD2F
    SMPM(M)-JHD2F
    Múnla Nótaí
    SMPM(M)-JHD2F Coinnle Iomlán
  • SMPM(M)-JHD3F
    SMPM(M)-JHD3F
    Múnla Nótaí
    SMPM(M)-JHD3F Coinnle Iomlán
  • SMPM(M)-JHD4F
    SMPM(M)-JHD4F
    Múnla Nótaí
    SMPM(M)-JHD4F Coinnle Iomlán
  • SMPM(M)-JHD6F
    SMPM(M)-JHD6F
    Múnla Nótaí
    SMPM(M)-JHD6F Coinnle Iomlán
  • SMPM(M)-JHD21F
    SMPM(M)-JHD21F
    Múnla Nótaí
    SMPM(M)-JHD21F Coinnle Iomlán
  • SMPM(M)-JFD1S
    SMPM(M)-JFD1S
    Múnla Nótaí
    SMPM(M)-JFD1S Borradh Smooth
  • SMPM(M)-JWSD1S
    SMPM(M)-JWSD1S
    Múnla Nótaí
    SMPM(M)-JWSD1S Borradh Smooth
  • SMPM(M)-JWSD8
    SMPM(M)-JWSD8
    Múnla Nótaí
    SMPM(M)-JWSD8
  • SMPM(M)-JWSD9S
    SMPM(M)-JWSD9S
    Múnla Nótaí
    SMPM(M)-JWSD9S Borradh Smooth
  • SMPM(M)-JWSD10S
    SMPM(M)-JWSD10S
    Múnla Nótaí
    SMPM(M)-JWSD10S Borradh Smooth
  • SMPM(M)-JSD1S
    SMPM(M)-JSD1S
    Múnla Nótaí
    SMPM(M)-JSD1S Borradh Smooth

COINNIGH I dTEAGMHÁIL

[#ionchur#]
ISTEACH
Fúinn
Tá Ningbo Hanson Communication Technology Co., Ltd.
Tá Ningbo Hanson Communication Technology Co., Ltd.
Ningbo Hanson Communication Technology Co., Ltd. is China SMPM Ceanglóir Séalaithe heirméiteach Supplier and Custom SMPM Ceanglóir Séalaithe heirméiteach Company. We are a manufacturer specializing in the production, processing, and trade of communication components, with more than 30 years of experience in RF coaxial connectors, adapters, and cable assemblies. Tá a ceardlann meaisínithe féin, ceardlann leictreaphlátála, ceardlann tionóil, agus grúpa soláthraithe cobhsaí agus iontaofa forbartha ag an gcuideachta anois. Is é cuspóir na cuideachta táirgí ardchaighdeáin a sholáthar do chustaiméirí. Na príomh-tháirgí is cónaisc comhaiseach RF, oiriúntóirí, tionóil cábla ard-minicíochta, agus tionóil cábla idirmhodúcháin íseal. Ina theannta sin, is féidir leis an gcuideachta seirbhísí a sholáthar do chustaiméirí a bhfuil riachtanais shaincheaptha acu freisin chun freastal ar riachtanais speisialta na gcustaiméirí maidir le táirgí. Úsáidtear táirgí na cuideachta go forleathan i aeraspáis, stáisiúin bonn cumarsáide, trealamh leighis, agus réimsí ardteicneolaíochta eile. Ag an am athchóirithe fiontair, nuálaíochta, forbartha, agus fáis, ghlac an chuideachta an tionscnamh a bheith páirteach sa chóras bainistíochta cáilíochta ISO9001 idirnáisiúnta agus feabhas leanúnach ar an leibhéal bainistíochta chun táirgí agus seirbhísí níos sásúla a sholáthar do chustaiméirí nua agus sean.
Nuacht is Déanaí
Ag Lorg Deis Gnó?

Iarratas ar ghlao inniu