OEM Cónascaire comhaiseach RF 1.85mm Supplier

Tá Ningbo Hanson Communication Technology Co., Ltd. Baile / Táirgí / Cónascaire comhaiseach RF / Cónascaire comhaiseach RF 1.85mm

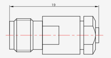
Cónascaire comhaiseach RF 1.85mm

Cur síos:

Is cónascaire minicíochta raidió ardfheidhmíochta (RF) é an cónascaire sraith 1.85mm (ar a dtugtar an cónascaire RF 1.85mm freisin) a úsáidtear go príomha in iarratais a dteastaíonn ard-minicíocht, cruinneas ard, agus caillteanas íseal, go háirithe i dtarchur comhartha ag 26.5 GHz nó níos airde. Is dearadh dlúth é an cónascaire sraith SMA a sholáthraíonn méid níos lú agus feidhmíocht minicíochta níos airde i gcomparáid le nascóirí ard-minicíochta eile cosúil le Cineál V (2.92mm) nó Cineál K (1.0mm).

Paraiméadar:

Príomh-Sonraíochtaí Teicniúla:
◆ Impedance Saintréith: 50Ω
◆ Raon Minicíochta: DC ~ 67GHz
◆ Friotaíocht Insliú: ≥3000MΩ
◆ Tréleictreach Seasann Voltas: 500V(rms)
◆ Cóimheas Seasmhach Tonn Voltais (VSWR): ≤1.30
◆ Timthriallta Cúplála: 500 uair

Fiosraigh
  • 1.85mm Sraith Jack comhéadan cónascaire Teagmhálacha

Méid mm isteach
nóim uas nóim uas
a 1.850 2.450 0.073 0.096
b 4.370 4.630 0.172 0.182
C 0.000 0.0762 0.000 0.003
d 3.380 3.480 0.133 0.137
e 0.250 0.360 0.010 0.014
f - RO.050 - R0.002
g 28° 32° 28° 32°
h 0.7909 0.8163 0.0311 0.0321
j 1.335 1.445 0.053 0.057
k 0.000 0.250 0.000 0.010
l 7.010 7.110 0.276 0.280
m 4.725 4.750 0.186 0.187
n 1.8373 1.8627 0.07233 0.0733
lch 0.498 0.523 0.0196 0.0206
q 0.508 0.762 0.020 0.030

Nótaí:
1. Dromchlaí tagartha meicniúla agus leictreacha.
2. Niteoirí mar is gá do chónaisc Aicme 1.
3. Cnónna ceangail le fritháireamh ar aghaidh.



  • 1.85mm Sraith Jack Comhéadan Cónascaire Teagmhálacha

Méid mm isteach
nóim uas nóim uas
a 4.800 5.060 0.189 0.199
b 1.370 1.630 0.054 0.064
C 2.650 0.104
d 0.000 0.0762 0.000 0.003
e 4.770 4.795 0.1878 0.1888
f 1.8373 1.8627 0.07233 0.07333
g R0. 130 R0.005
h 0.100 0.130 0.004 0.005
j 0.100 0.200 0.004 0.008
k 0.7909 0.8163 0.0311 0.0321
l 6.000 0.236
m 5.790 5.890 0.228 0.232
n 3.000 3.100 0.118 0.122

Nótaí:
Tá struchtúr an phíosa teagmhála soicéad treallach. Agus iad ag cúpláil le bioráin le trastomhais 0.498mm go 0.523mm, ba cheart go gcomhlíonfadh na toisí an chomhéifeacht machnaimh, na saintréithe cúplála agus na ceanglais marthanachta cónascaire.

1.85mm SERIES
  • 1.85- JB1
    1.85- JB1
    Múnla Cineál cábla
    1.85- JB1 SFT-50-1,670-047
  • 1.85-KB1
    1.85-KB1
    Múnla Cineál cábla
    1.85-KB1 SFT-50-1,670-047

COINNIGH I dTEAGMHÁIL

[#ionchur#]
ISTEACH
Fúinn
Tá Ningbo Hanson Communication Technology Co., Ltd.
Tá Ningbo Hanson Communication Technology Co., Ltd.
Ningbo Hanson Communication Technology Co., Ltd. is China Cónascaire comhaiseach RF 1.85mm Supplier and Custom Cónascaire comhaiseach RF 1.85mm Company. We are a manufacturer specializing in the production, processing, and trade of communication components, with more than 30 years of experience in RF coaxial connectors, adapters, and cable assemblies. Tá a ceardlann meaisínithe féin, ceardlann leictreaphlátála, ceardlann tionóil, agus grúpa soláthraithe cobhsaí agus iontaofa forbartha ag an gcuideachta anois. Is é cuspóir na cuideachta táirgí ardchaighdeáin a sholáthar do chustaiméirí. Na príomh-tháirgí is cónaisc comhaiseach RF, oiriúntóirí, tionóil cábla ard-minicíochta, agus tionóil cábla idirmhodúcháin íseal. Ina theannta sin, is féidir leis an gcuideachta seirbhísí a sholáthar do chustaiméirí a bhfuil riachtanais shaincheaptha acu freisin chun freastal ar riachtanais speisialta na gcustaiméirí maidir le táirgí. Úsáidtear táirgí na cuideachta go forleathan i aeraspáis, stáisiúin bonn cumarsáide, trealamh leighis, agus réimsí ardteicneolaíochta eile. Ag an am athchóirithe fiontair, nuálaíochta, forbartha, agus fáis, ghlac an chuideachta an tionscnamh a bheith páirteach sa chóras bainistíochta cáilíochta ISO9001 idirnáisiúnta agus feabhas leanúnach ar an leibhéal bainistíochta chun táirgí agus seirbhísí níos sásúla a sholáthar do chustaiméirí nua agus sean.
Nuacht is Déanaí
Ag Lorg Deis Gnó?

Iarratas ar ghlao inniu