OEM RF Gloine Inslitheoir Supplier

Tá Ningbo Hanson Communication Technology Co., Ltd. Baile / Táirgí / Sraith Séalaithe heirméiteach / RF Gloine Inslitheoir

RF Gloine Inslitheoir

Cur síos:

Úsáideann inslitheoirí gloine struchtúr shintéirithe gloine le dea-fheidhmíocht séalaithe. Is féidir iad a úsáid le nascóirí tonn milliméadar ar nós SMA agus 2.92, agus is féidir iad a úsáid go díreach freisin idir boird PCB, teimpléid, agus teimpléid agus comhpháirteanna. Úsáideann sé gloine (tá tairiseach tréleictreach thart ar 4.0) mar ábhar meánach inslithe, agus tá na seoltóirí inmheánacha agus seachtracha déanta as ábhar cóimhiotail Kovar. Tar éis shintéiriú ardteochta, tá an dromchla nicilphlátáilte le hór. Tá na buntáistí a bhaineann le méid beag, meáchan éadrom, aerdhíonacht agus iontaofacht ard ag inslitheoirí gloine. Úsáidtear iad den chuid is mó in ócáidí le ceanglais séalaithe, nó ceanglais maidir le toirt agus meáchan an táirge. Tá siad oiriúnach le haghaidh suiteáil dian. Is féidir an seoltóir istigh a nascadh ar bhealaí éagsúla, mar shampla plug-in, gléasadh dromchla, táthú, agus nascáil sreang óir.

Fiosraigh

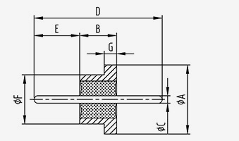
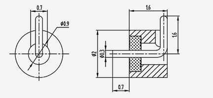
Struchtúr bunúsach:
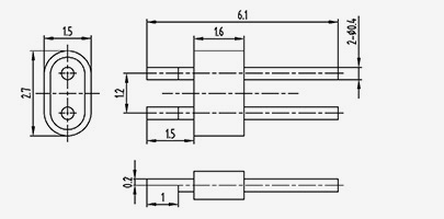
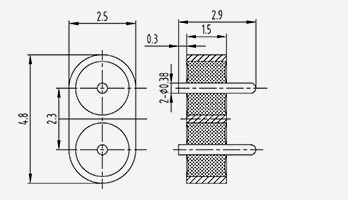
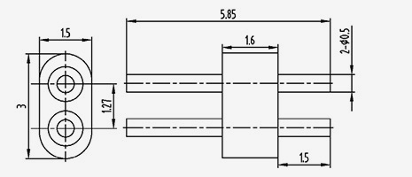
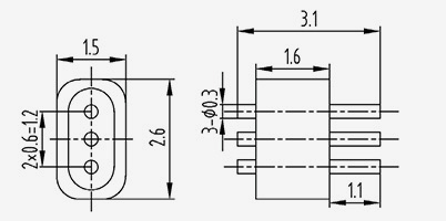
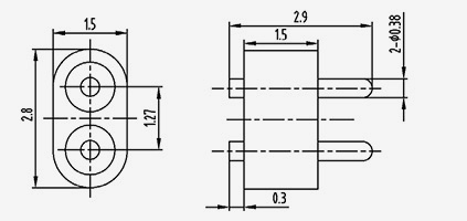
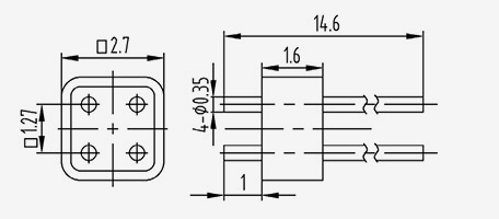
De ghnáth tá trí chuid ag inslitheoir gloine: seoltóir seachtrach, meán gloine agus seoltóir istigh, agus taispeántar a struchtúr bunúsach san fhigiúr seo a leanas.

Sonraíochtaí teicniúla agus tástálacha iontaofachta:

Tréithe Leictreacha
Impedance tréith 50Ω nó eile Raon Minicíochta DC~65GHz
Tréleictreach In ainneoin Voltas ≥500V Friotaíocht Inslithe ≥5000m Ω
Friotaíocht teagmhála Seoltóir istigh≤3m Ω Voltas VSWR (50Ω) ≤ 1.05 0.008f ( f: GHz)
Seoltóir seachtrach ≤2m Ω Caillteanas Ionsáigh RF (50Ω) ≤0.05 √ f (f: GHz)
Ábhar agus airíonna meicniúla, comhshaoil
Seoltóir seachtrach Cóimhiotail tharmligthe Ráta sceite aeir 1.01*10 -9 Pa.m 3 /S
Seoltóir istigh Cóimhiotail Indhíghrádaithe Teocht oibriúcháin -65 ~165
Meán inslithe Gloine

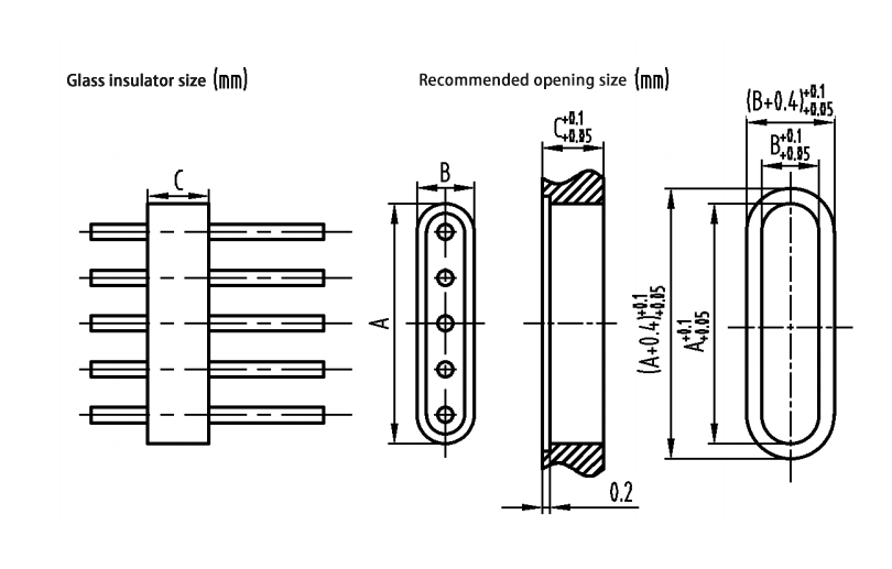
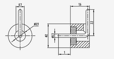
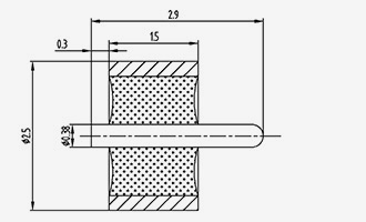
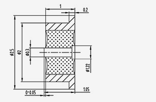
Toisí suiteála molta d'inslitheoirí gloine
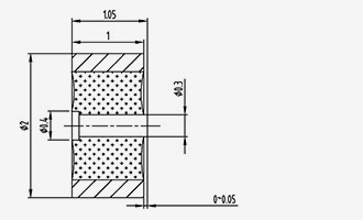
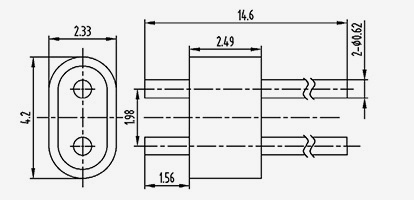
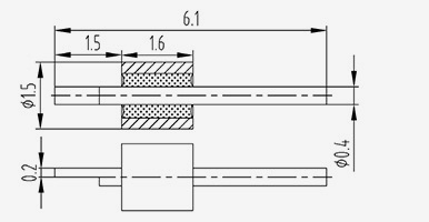
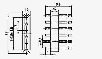
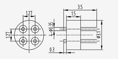
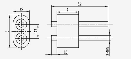
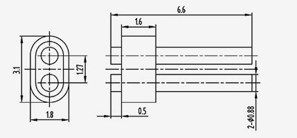
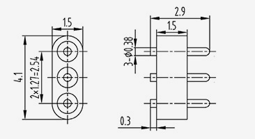
Taispeántar thíos na toisí oscailte suiteála molta d’inslitheoirí croí-ghloine aonair:

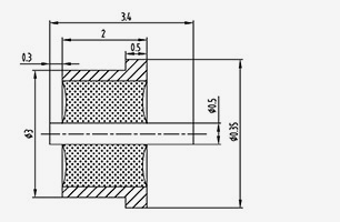
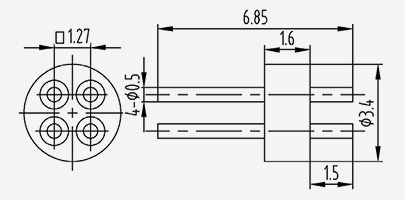
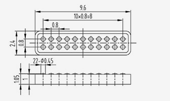
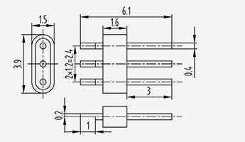
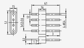
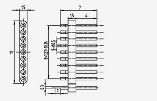
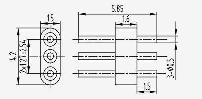
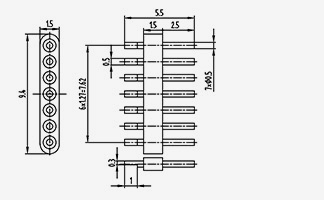
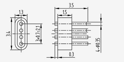
Taispeántar thíos na toisí oscailte gléasta atá molta d’inslitheoirí gloine illárnacha:

Tástáil feidhmíochta leictreach inslitheoir gloine:
50 ohm inslitheoirí gloine impedance tréith le nascóirí caighdeánach SMA, 2.92, 2.4, etc.

RF SERIES
  • 50Ω tréith impedance-ceann bhabhta croí amháin
    50Ω tréith impedance-ceann bhabhta croí amháin
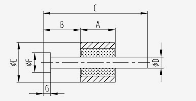
    Múnla Méid (mm)
    A b c D E
    HS1710-0.23(2.8-0.3) 1.73 1 0.23 2.8 0.3
    HS1710-0.23(6.2-2.7) 1.73 1 0.23 6.2 2.7
    HS1710A 1.73 1 0.23 3 1
    HS1714-0.23(2-0.3) 1.73 1.4 0.23 2 0.3
    V1714- 0. 23(2.69-0.5) 1.73 1.4 0.23 2.7 0.5
    V1714- 0. 23(3.9-1.7) 1.73 1.4 0.23 3.9 1.7
    V1714- 0. 23(4.5-1.7) 1.73 1.4 0.23 4.5 1.7
    HS1714-0.23(3-1.1) 1.73 1.4 0.23 3 1.1
    HSI714E 1.73 1.4 0.23 2.9 1
    HS1714F 1.73 1.4 0.23 2.79 0.9
    HS1715-0.23(3.2-0.8) 1.73 1.5 0.23 3.2 0.8
    HS1716A 1.73 1.65 0.23 3.4 1
    V1719- 0. 23(5.0-1.7) 1.73 1.9 0.23 5 1.7
    V1720- 0. 23(3.3-0.5) 1.73 2 0.23 3.3 0.5
    HS1720-0.23(3.7-1.2) 1.73 2 0.23 3.7 1.2
    V1720- 0. 23(4.0-1.0) 1.73 2 0.23 4 1
    HS1720-0. 23(6-2) 1.73 2 0.23 6 2
    V1724- 0. 23(3.7-0.5) 1.73 2.4 0.23 3.7 0.5
    HS1724-0.23(4.5-1.7) 1.73 2.4 0.23 4.5 1.7
  • 50Ω tréith impedance-ceann bhabhta croí amháin
    50Ω tréith impedance-ceann bhabhta croí amháin
    Múnla Méid (mm)
    A b c D E
    V1727- 0. 23(4.0-0.5) 1.73 2.7 0.23 4 0.5
    HS1727A 1.73 2.7 0.23 4.7 1
    HS1728-0.23(4-0.5) 1.73 2.8 0.23 4 0.5
    HS1730-0.23(4.3-0.5) 1.73 3 0.23 4.3 0.5
    V1730- 0. 23(5.0-1.0) 1.73 3 0.23 5 1
    HS1734-0.23-01 1.73 3.4 0.23 5.2 1
    HS1744-0.23-01 1.73 4.4 0.23 6.2 1
    HS1749-0.23(8.9-2.0) 1.73 4.9 0.23 8.9 2
    HS1751A 1.73 5.1 0.23 5.9 0.4
    HS1756-0.23(6.6-0.5) 1.73 5.6 0.23 6.6 0.5
    HS1914-0.3(2.55-0.35) 1.9 1.4 0.3 2.55 0.35
    HS1914-0.3(3.2-1.1) 1.9 1.4 0.3 3.2 1.1
    HS1914C 1.9 1.4 0.3 3.6 0.7
    HS1914-0.3(4.4-2) 1.9 1.4 0.3 4.4 2
    HS1914-0.3(3.2-1.1) 1.9 1.4 0.3 3.2 1.1
    HS1914-0.3(3.8-1.2) 1.9 1.4 0.3 3.8 1.2
    HS1914-0.3(4.4-2) 1.9 1.4 0.3 4.4 2
    HS1916-0.3(4.7-0.8) 1.9 1.6 0.3 4.7 0.8
    HS1916B 1.9 1.6 0.3 4.9 0.8
  • 50Ω tréith impedance-ceann bhabhta croí amháin
    50Ω tréith impedance-ceann bhabhta croí amháin
    Múnla Méid (mm)
    A b c D E
    HS1917-0.3(3.45-1) 1.9 1.75 0.3 3.45 1
    HS1918-0.3(5.8-2) 1.9 1.8 0.3 5.8 2
    HS1918-0.3(7.8-4.2) 1.9 1.8 0.3 7.8 4.2
    HS1918-0.3(3.5-1) 1.95 1.8 0.3 3.5 1
    HS1934-0.3(4.6-0.4) 1.9 3.4 0.3 4.6 0.4
    HS2006- 0.3(3.2-2) 2 0.6 0.3 3.2 2
    HS2008-0.3(1.32-0.26) 2 0.8 0.3 1.32 0.26
    HS2008F 2 0.8 0.3 1.7 0.45
    HS2008-0.3(1.8-0.3) 2 0.8 0.3 1.8 0.3
    HS2008-0.3(2.8-1.0) 2 0.8 0.3 2.8 1
    HS2008-0.3(3.0-1.5) 2 0.8 0.3 3 1.5
    HS2008-0.3(3.4-0.8) 2 0.8 0.3 3.4 0.8
    HS2008-0.3(3.6-1.2) 2 0.8 0.3 3.6 1.2
    HS2008-0.3(5.4-2.6) 2 0.8 0.3 5.4 2.6
    HS2008-0.3(6-2.6) 2 0.8 0.3 6 2.6
    HS2010-0.3(2.1-0.7) 2 1 0.3 2.1 0.7
    HS2010-0.3(2.5-1) 2 1 0.3 2.5 1
    HS2010-0.3(3.2-1.2) 2 1 0.3 3.2 1.2
    HS2011-0.3(2.1-0.5) 2 1.1 0.3 2.1 0.5
  • 50Ω tréith impedance-ceann bhabhta croí amháin
    50Ω tréith impedance-ceann bhabhta croí amháin
    Múnla Méid (mm)
    A b c D E
    HS2012A 2 1.2 0.3 3.5 1.2
    HS2012-0.3(6-1.8) 2 1.2 0.3 6 1.8
    HS2012-0.3(6.7-1.5) 2 1.2 0.3 6.7 1.5
    HS2013-0.3(2.3-0.5) 2 1.3 0.3 2.3 0.5
    HS2014-0.3(1.92-0.26) 2 1.4 0.3 1.92 0.26
    HS2014-0.3(2.12-0.36) 2 1.4 0.3 2.12 0.36
    HS2014-0.3(2.4-0.5) 2 1.4 0.3 2.4 0.5
    HS2014D 2 1.4 0.3 3.1 0.45
    HS2014-0.3(4.4-1.5) 2 1.4 0.3 4.4 1.5
    HS2014-0.3(4.4-1) 2 1.4 0.3 4.4 1
    HS2014-0.3(4.55-1.5) 2 1.4 0.3 4.55 1.5
    HS2014-0.3(4.65-1.5) 2 1.4 0.3 4.65 1.5
    HS2014-0.3(5.5-1.9) 2 1.4 0.3 5.5 1.9
    HS2014-0.3(5.7-1.8) 2 1.4 0.3 5.7 1.8
    HS2014-0.3(8.0-4.6) 2 1.4 0.3 8 4.6
    HS2014-0.3(8-1.9) 2 1.4 0.3 8 1.9
    HS2015-0.3(3.25-0.75) 2 1.5 0.3 3.25 0.75
    HS2016-0.3(2.7-0.7) 2 1.6 0.3 2.7 0.7
    HS2016-0.3(2.8-0.5) 2 1.6 0.3 2.8 0.5
  • 50Ω tréith impedance-ceann bhabhta croí amháin
    50Ω tréith impedance-ceann bhabhta croí amháin
    Múnla Méid (mm)
    A b c D E
    HS2016-0.3(3.5-1.2) 2 1.6 0.3 3.5 1.2
    HS2016-0.3(3.6-1) 2 1.6 0.3 3.6 1
    HS2016-0.3(3.9-0.4) 2 1.6 0.3 3.9 0.4
    HS2016E 2 1.6 0.3 3.9 0.6
    HS2016-0.3(4.1-1) 2 1.6 0.3 4.1 1
    HS2016-0.3(4.2-0.8) 2 1.6 0.3 4.2 0.8
    HS2016-0.3(4.6-1.2) 2 1.6 0.3 4.6 1.2
    HS2016-0.3(4.6-1.8) 2 1.6 0.3 4.6 1.8
    2016- 0.3(5-2.9) 2 1.6 0.3 5 2.9
    HS2016-0.3(5.2-1.8) 2 1.6 0.3 5.2 1.8
    HS2016-0.3(8.0-4.6) 2 1.6 0.3 8 4.6
    HS2016-0.3(8-1.8) 2 1.6 0.3 8 1.8
    HS2016-0.3(12-2.4) 2 1.6 0.3 12 2.4
    HS2016-0.3(20.4-4.6) 2 1.6 0.3 20.4 4.6
    HS2017-0.3(3.3-0.8) 2 1.7 0.3 3.3 0.8
    HS2017-0.3(8.5-2.0) 2 1.7 0.3 8.5 2
    HS2018-0.3(3.5-1) 2 1.8 0.3 3.5 1
    HS2019-0.3-01 2 1.9 0.3
    HS2020-0.3(3.4-0.4) 2 2 0.3 3.4 0.4
  • 50Ω tréith impedance-ceann bhabhta croí amháin
    50Ω tréith impedance-ceann bhabhta croí amháin
    Múnla Méid (mm)
    A b c D E
    HS2020-0.3(3.8-0.8) 2 2 0.3 3.8 0.8
    HS2020-0.3(5.6-2.8) 2 2 0.3 5.6 2.8
    HS2020-0.3(5.7-2.9) 2 2 0.3 5.7 2.9
    HS2020-0.3(6-2) 2 2 0.3 6 2
    HS2020-0.3(12-5) 2 2 0.3 12 5
    HS2022F 2 2.2 0.3 3.1 0.45
    HS2022-0.3(3.2-0.7) 2 2.2 0.3 3.2 0.7
    HS2023-0.3(3.35-0.7) 2 2.3 0.3 3.35 0.7
    HS2023-0.3(3.7-0.7) 2 2.3 0.3 3.7 0.7
    HS2025-0.3(4.8-0.9) 2 2.5 0.3 4.8 0.9
    HS2025-0.3(6-1.5) 2 2.5 0.3 6 1.5
    HS2025-0.38(7.4-1.4) 2 2.5 0.38 7.4 1.4
    HS2026.5-0.3-01 2 2.6 5 0.3 0.1
    HS2028-0.3(4.9-0.5) 2 2.8 0.3 4.9 0.5
    HS2029-0.3(4.1-0.8) 2 2.9 0.3 4.1 0.8
    HS2029-0.3(4.9-0.5) 2 2.9 0.3 4.9 0.5
    HS2030-0.3(5.2-1.5) 2 3 0.3 5.2 1.5
    HS2030-0.3(5.8-1) 2 3 0.3 5.8 1
    HS2030-0.3(8-2) 2 3 0.3 8 2
  • 50Ω tréith impedance-ceann bhabhta croí amháin
    50Ω tréith impedance-ceann bhabhta croí amháin
    Múnla Méid (mm)
    A b c D E
    HS2030-0.3(9-1.5) 2 3 0.3 9 1.5
    HS2034-0.3(4.4-0.7) 2 3.4 0.3 4.4 0.7
    HS2035- 0.3(6.6-1.8) 2 3.5 0.3 6.6 1.8
    HS2035-0.3(6.65-1.3) 2 3.5 0.3 6.65 1.3
    HS2035-0.3(7.1-1.3) 2 3.5 0.3 7.1 1.3
    HS2035- 0.3(9.5-3) 2 3.5 0.3 9.5 3
    HS2036-0.3(5.7-0.7) 2 3.6 0.3 5.7 0.7
    HS2040A 2 4 0.3 5.1 0.8
    HS2045- 0.7(11.5-2) 2 4.5 0.7 11.5 2
    HS2050-0.3(6.4-0.7) 2 5 0.3 6.4 0.7
    HS2507-0.38(2.2-0.3) 2.5 0.7 0.38 2.2 0.3
    HS2508-0.38(1.8-0.3) 2.5 0.8 0.38 1.8 0.3
    HS2508-0.38(2-0.5) 2.5 0.8 0.38 2 0.5
    HS2510-0.38(3.6-1.3 ) 2.5 1 0.38 3.6 1.3
    HS2510-0.38(7-3) 2.5 1 0.38 7 3
    HS2511-0.38(2..4-0.5) 2.5 1.1 0.38 2.4 0.5
    HS2511-0.38(3.7-0.6) 2.5 1.1 0.38 3.7 0.6
    HS2512-0.38(3.1-0.8) 2.5 1.1 0.38 3.7 0.6
    HS4414-0.3(3.2-1.1) 4.4 1.4 0.3 3.2 1.1
  • 50Ω tréith impedance-ceann bhabhta croí amháin
    50Ω tréith impedance-ceann bhabhta croí amháin
    Múnla Méid (mm)
    A b c D E
    HS2516-0.3(7.5-2.14) 2.5 1.6 0.3 7.5 2.14
    HS2516-0.3(8-1.8) 2.5 1.6 0.3 8 1.8
    HS2516-0.38(3.5-0.7) 2.5 1.6 0.38 3.5 0.7
    HS2516-0.38(4.1-1.25) 2.5 1.6 0.38 4.1 1.25
    HS2516-0.38(4.3-1.2) 2.5 1.6 0.38 4.3 1.2
    Ka2511-0.38(2.7-1.0) 2.5 1.1 0.38 2.7 1
    Ka2516-0.38(2.9-0.3) 2.5 1.6 0.38 2.9 0.3
    K2516- 0. 38(4- 1. 5) 2.5 1.6 0.38 4 1.5
    HS2516-0.38(4.5-1.2) 2.5 1.6 0.38 4.5 1.2
    HS2516-0.38(4.6-1) 2.5 1.6 0.38 4.6 1
    HS2516E 2.5 1.6 0.38 4.6 1.5
    HS2516G 2.5 1.6 0.38 4.6 1.5
    HS2516-0.38(4.8-1.2) 2.5 1.6 0.38 4.8 1.2
    HS2516-0.38(4.9-1.5) 2.5 1.6 0.38 4.9 1.5
    HS2516-0.38(5.1-1.6) 2.5 1.6 0.38 5.1 1.6
    HS2516-0.38(5.3-1.2) 2.5 1.6 0.38 5.3 1.2
    Ka2516-0.38(5.6-3.0) 2.5 1.6 0.38 5.6 3
    HS2516-0.38(6.1-1.3) 2.5 1.6 0.38 6.1 1.3
    HS2516-0.38(7.1-1.4) 2.5 1.6 0.38 7.1 1.4
  • 50Ω tréith impedance-ceann bhabhta croí amháin
    50Ω tréith impedance-ceann bhabhta croí amháin
    Múnla Méid (mm)
    A b c D E
    HS2516-0.38(7.41-1.27) 2.5 1.6 0.38 7.41 1.27
    HS2516F 2.5 1.6 0.38 7.45 4.55
    HS2516-0.38-01 2.5 1.6 0.38 7.5 1.3
    HS2516-0.38(8-1.8) 2.5 1.6 0.38 8 1.8
    RF2516- 0. 38(8- 4. 6) 2.5 1.6 0.38 8 4.6
    HS2516-0.38(8-5) 2.5 1.6 0.38 8 5
    K2516- 0. 38(8- 1. 5) 2.5 1.6 0.38 8 1.5
    K2516- 0. 38(8- 5. 9) 2.5 1.6 0.38 8 5.9
    HS2516-0.38(11.6-5) 2.5 1.6 0.38 11.6 5
    HS2516-0.38(12-2.0) 2.5 1.6 0.38 12 2
    HS2520-0.38(6-2) 2.5 2 0.38 6 2
    HS2520-0.38(7.4-1.4) 2.5 2 0.38 7.4 1.4
    HS2520-0.38(7.8-1.4) 2.5 2 0.38 7.8 1.4
    HS2520-0.38(9.0-2.0) 2.5 2 0.38 9 2
    HS2520-0.38(12-5) 2.5 2 0.38 12 5
    HS2520-0.38(15-2) 2.5 2 0.38 15 2
    HS2524-0.38(5.7-1.1) 2.5 2.4 0.38 5.7 1.1
    HS2526-0.38(6.6-2) 2.5 2.6 0.38 6.6 2
    HS2530-0.38(3.6-0.3) 2.5 3 0.38 3.6 0.3
  • 50Ω tréith impedance-ceann bhabhta croí amháin
    50Ω tréith impedance-ceann bhabhta croí amháin
    Múnla Méid (mm)
    A b c D E
    Ka2530-0.38(4.6-1.0) 2.5 3 0.38 4.6 1
    HS2530A 2.5 3 0.38 5 1
    HS2530-0.38(7.5-1.5) 2.5 3 0.38 7.5 1.5
    HS2530-0.38(8-0.4) 2.5 3 0.38 8 0.4
    HS2530-0.38(8-2) 2.5 3 0.38 8 2
    HS2530-0.38(9-3) 2.5 3 0.38 9 3
    HS2530-0.38(12-2.2) 2.5 3 0.38 12 2.2
    HS2530-0.38(13.9-8.2) 2.5 3 0.38 13.9 8.2
    HS2530-0.38(20-4) 2.5 3 0.38 20 4
    HS2533-0.38(6.5-1.2) 2.5 3.3 0.38 6.5 1.2
    HS2535-0.38(7.5-2) 2.5 3.5 0.38 7.5 2
    HS2537-0.38(7.7-2) 2.5 3.7 0.38 7.7 2
    HS2540-0.38(11-1.8) 2.5 4 0.38 11 1.8
    HS2545-0.38(8-1.3) 2.5 4.5 0.38 8 1.3
    HS2550-0.38(6.9-1.5) 2.5 5 0.38 6.9 1.5
    HS2550- 0. 38(11-2) 2.5 5 0.38 11 2
    HS2558-0.38(14.8-6) 2.5 5.8 0.38 14.8 6
    HS2575-0.38(12-1.3) 2.5 7.5 0.38 12 1.3
    HS2810-0.45(3.3-0.35) 2.8 1 0.45 3.3 0.35
  • 50Ω tréith impedance-ceann bhabhta croí amháin
    50Ω tréith impedance-ceann bhabhta croí amháin
    Múnla Méid (mm)
    A b c D E
    HS2815-0.45(5.75-1.25) 2.8 1.5 0.45 5.75 1.25
    HS2816-0.45(4.6-1.5) 2.8 1.6 0.45 4.6 1.5
    HS2816-0.45(4.9-1.8)-R 2.8 1.6 0.45 4.9 1.8
    HS2816-0.45(5.1-1.5) 2.8 1.6 0.45 5.1 1.5
    HS2816-0.45(5.2-1.1) 2.8 1.6 0.45 5.2 1.1
    HS2816-0.45(5.4-2) 2.8 1.6 0.45 5.4 2
    HS2816-0.45(5.6-2) 2.8 1.6 0.45 5.6 2
    HS2816-0.45(6.2-1.8) 2.8 1.6 0.45 6.2 1.8
    HS2816-0.45(8.0-4.6) 2.8 1.6 0.45 8 4.6
    HS2816-0.45(8-1.8) 2.8 1.6 0.45 8 1.8
    HS2816-0.45(11.6-5) 2.8 1.6 0.45 11.6 5
    HS2816-0.45(12-3.0) 2.8 1.6 0.45 12 3
    HS2831-0.45(5.2-1.8) 2.8 3.1 0.45 5.2 1.8
    HS2843-0.45(8.3-2) 2.8 4.3 0.45 8.3 2
    HS3015-0.5(4.3-0.8) 3 1.5 0.5 4.3 0.8
    HS3016-0.5(3.4-0.9) 3 1.6 0.5 3.4 0.9
    HS3016-0.5(4.6-1) 3 1.6 0.5 4.6 1
    HS3016-0.5(4.6-1.5) 3 1.6 0.5 4.6 1.5
    HS3016B 3 1.6 0.38 4.9 1.8
  • 50Ω tréith impedance-ceann bhabhta croí amháin
    50Ω tréith impedance-ceann bhabhta croí amháin
    Múnla Méid (mm)
    A b c D E
    HS3016-0.5(5.6-2) 3 1.6 0.5 5.6 2
    HS3016C 3 1.6 0.5 6.6 2
    HS3016-0.5(6.6-2.5) 3 1.6 0.5 6.6 2.5
    HS3016-0.5(7.5-2) 3 1.6 0.5 7.5 2
    HS3016-0.5(7.5-3.9) 3 1.6 0.5 7.5 3.9
    HS3016-0.5(7.8-2.0) 3 1.6 0.5 7.8 2
    HS3016-0.5(9.65-3.05) 3 1.6 0.5 9.65 3.05
    HS3016-0.5(12-5.0) 3 1.6 0.5 12 5
    HS3016-0.5(14.3-1.5) 3 1.6 0.5 14.3 1.5
    HS3020-0.5(5-1.8) 3 2 0.5 5 1.8
    HS3020-0.5(6.0-1.5) 3 2 0.5 6 1.5
    HS3020-0.5(6.5-2.2) 3 2 0.5 6.5 2.2
    HS3020-0.5(6.5-2.3) 3 2 0.5 6.5 2.3
    HS3020-0.5(6.8-1.8) 3 2 0.5 6.8 1.8
    HS3020-0.5(7.5-2.2) 3 2 0.5 7.5 2.2
    HS3020-0.5(8-2) 3 2 0.5 8 2
    HS3020-0.5(8.5-2.2) 3 2 0.5 8.5 2.2
    HS3020-0.5(8.5-4.3) 3 2 0.5 8.5 4.3
    HS3020-0.5(10-4) 3 2 0.5 10 4
  • 50Ω tréith impedance-ceann bhabhta croí amháin
    50Ω tréith impedance-ceann bhabhta croí amháin
    Múnla Méid (mm)
    A b c D E
    HS3020-0.5(10-1.5) 3 2 0.5 10 1.5
    HS3020-0.5(12-4.0) 3 2 0.5 12 4
    HS3020-0.5(12-5.0) 3 2 0.5 12 5
    HS3020-0.5(12-6) 3 2 0.5 12 6
    HS3020-0.5(15-2) 3 2 0.5 15 2
    HS3025-0.5(5.4-1.2) 3 2.5 0.5 5.4 1.2
    HS3030A 3 3 0.38 10 1.5
    HS3030-0.5(6.5-2) 3 3 0.5 6.5 2
    HS3030-0.5(6.6-1.8) 3 3 0.5 6.6 1.8
    HS3030-0.5(7.5-2)-R 3 3 0.5 7.5 2
    HS3030-0.5(8.8-1.8) 3 3 0.5 8.8 1.8
    HS3030-0.5(10-2) 3 3 0.5 10 2
    HS3030-0.5(12-3) 3 3 0.5 12 3
    HS3030-0.5(12-2) 3 3 0.5 12 2
    HS3030-0.5(14-4.0) 3 3 0.5 14 4
    HS3035-0.5(6-1) 3 3.5 0.5 6 1
    HS3035- 0.5(11.5-4) 3 3.5 0.5 11.5 4
    HS3040A 3 4 0.5 10.4 4
    HS3042-0.5(9.0-2.2) 3 4.2 0.5 9 2.2
  • 50Ω tréith impedance-ceann bhabhta croí amháin
    50Ω tréith impedance-ceann bhabhta croí amháin
    Múnla Méid (mm)
    A b c D E
    HS3045- 0.5(8.5-2) 3 4.5 0.5 8.5 2
    HS3047-0.5(9.4-2.2) 3 4.7 0.5 9.4 2.2
    HS3047-0.5(12-5.1) 3 4.7 0.5 12 5.1
    HS3050-0.5(9-2) 3 5 0.5 9 2
    HS3052A 3 5.2 0.5 10.3 4
    HS3057-0.5(12.5-3) 3 5.7 0.5 12.5 3
    HS3620-0.5(9-2.5) 3.6 2 0.5 9 2.5
    HS3616-0.6(12.2-1.6) 3.6 1.6 0.6 12.2 1.6
    HS3625-0.6(6.5-2) 3.6 2.5 0.6 6.5 2
    HS2540-0.8(27-5) 2.5 4 0.8 27 5
    HS4030A 4 3 1 10.6 4.6
    HS5010-0.8(5.9-2.45) 5 1 0.8 5.9 2.45
    HS5015-0.8(7.3-4.9) 5 1.5 0.8 7.3 4.9
    HS5016B 5 1.6 0.8 5.6 2
    HS5016-0.8(8.6-3.0) 5 1.6 0.8 8.6 3
    HS5030-0.8(17.2-2) 5 3 0.8 17.2 2
    HS5040- 0.8(12-3) 5 4 0.8 12 3
    HS5060-0.8(11.5-2.5) 5 6 0.8 11.5 2.5
    HS5065-0.8(13.7-3) 5 6.5 0.8 13.7 3
  • 50Ω tréith impedance-ceann bhabhta croí amháin
    50Ω tréith impedance-ceann bhabhta croí amháin
    Múnla Méid (mm)
    A b c D E
    HS5065- 0.8(15.5-3) 5 6.5 0.8 15.5 3
    HS5516-0.9(8.3-2.8) 5.5 1.6 0.9 8.3 2.8
    HS5516-0.9(8.5-2.8) 5.5 1.6 0.9 8.5 2.8
    HS5516-0.9(8.7-2.8) 5.5 1.6 0.9 8.7 2.8
    HS5516-0.9(8.9-2.8) 5.5 1.6 0.9 8.9 2.8
    HS5516-0.9(9.1-2.8) 5.5 1.6 0.9 9.1 2.8
    HS5516-0.9(11.9-2.8) 5.5 1.6 0.9 11.9 2.8
    HS5516-0.9(12.6-2) 5.5 1.6 0.9 12.6 2
    HS5516-0.9(13.8-2.8) 5.5 1.6 0.9 13.8 2.8
    HS5525-0.9(9.7-1.6) 5.5 2.5 0.9 9.7 1.6
    HS5525-0.9(16-5) 5.5 2.5 0.9 16 5
    HS5530-0.9(8.8-2.3) 5.5 3 0.9 8.8 2.3
    HS5530-0.9(9.6-2.3) 5.5 3 0.9 9.6 2.3
    HS5530-0.9(13.8-2.8) 5.5 3 0.9 13.8 2.8
    HS5530A 5.5 3 1.35 13.5 7.5
    HS5530B 5.5 3 1.35 13.8 7.8
    HS6016-1.0(8.5-1.5) 6 1.6 1 8.5 1.5
    HS6840-0.9(7-1.5) 6.8 4 0.9 7 1.5
    HS8330-1.3(13-5) 8.3 3 1.3 13 5
  • 50Ω impedance tréith - ceann croí cothrom amháin
    50Ω impedance tréith - ceann croí cothrom amháin
    Múnla Méid (mm)
    A b c D E
    Ka2008- 0.3(1.4-0.3) 2 0.8 0.3 1.4 0.3
    HS2008-0.3(1.65-0.35) 2 0.8 0.3 1.65 0.35
    Ka2008- 0.3(1.8-0.3) 2 0.8 0.3 1.8 0.3
    HS2010-0.3(1.9-0.35) 2 1 0.3 1.9 0.35
    HS2010-0.3(2-0.5) 2 1 0.3 2 0.5
    HS2010-0.3(2.5-0.5) 2 1 0.3 2.5 0.5
    HS2013-0.3(2.4-0.4) 2 1.3 0.3 2.4 0.4
    HS2014-0.3(2.6-0.4) 2 1.4 0.3 2.6 0.4
    HS2014E 2 1.4 0.3 2.3 0.45
    HS2014F 2 1.4 0.3 2.35 0.5
    HS2016-0.3-01 2 1.6 0.3 3.1 1
    HS2016-0.3(3.3-0.7) 2 1.6 0.3 3.3 0.7
    HS2016-0.3-02 2 1.6 0.3 3.3 1
    HS2016-0.3(5.6-2) 2 1.6 0.3 5.6 2
    HS2019-0.3(3-0.35) 2 1.9 0.3 3 0.35
    HS2020-0.3-02 2 2 0.3 3.5 0.5
    HS2020-0.3(3.6-0.8) 2 2 0.3 3.6 0.8
    HS2030-0.3(4.2-0.7) 2 3 0.3 4.2 0.7
  • 50Ω tréith impedance-ceann bhabhta croí amháin
    50Ω tréith impedance-ceann bhabhta croí amháin
    Múnla Méid (mm)
    A b c D E
    HS8740-1.38(8.4-3.2) 8.7 4 1.38 8.4 3.2
    HS9430-1.5(9-3) 9.4 3 1.5 9 3
    HS9430- 1.5(11-4) 9.4 3 1.5 11 4
    HS9640-1.5(9.2-3.2) 9.6 4 1.5 9.2 3.2
    HS10050- 1.7(15-5) 10 5 1.7 15 5
    HS130100-3(18-4) 13 10 3 18 4
  • 50Ω Cosc Saintréith - Leid Babhta Croí Aonair
    50Ω Cosc Saintréith - Leid Babhta Croí Aonair
    Múnla Méid (mm)
    A b c D E
    HS2330-0.23(5.3-0.3) 2.3 3 0.23 5.3 0.3
    HS2815-0.3(5.2-1.2) 2.8 1.5 0.3 5.2 1.2
    HS2815-0.3(7.2-1.2) 2.8 1.5 0.3 7.2 1.2
    HS2635-0.3(7.1-1.3) 2.6 3.5 0.3 7.1 1.3
    HS3822-0.5(14.4-3.7) 3.8 2.2 0.5 14.4 3.7
    HS3525-0.5(11.5-6) 3.5 2.5 0.5 11.5 6
  • 50Ω impedance tréith - ceann croí cothrom amháin
    50Ω impedance tréith - ceann croí cothrom amháin
    Múnla Méid (mm)
    A b c D E
    HS2516-0.38(5.1-2) 2.5 1.6 0.38 5.1 2
    HS2516-0.38(7.37-4.5) 2.5 1.6 0.38 7.37 4.5
    HS2517-0.38-01 2.5 1.7 0.38 2.7 0.65
    HS2520-0.38(3.2-0.5) 2.5 2 0.38 3.2 0.5
    HS2525-0.38-01 2.5 2.5 0.38 3.65 0.65
    HS2530-0.38(7.5-2.5) 2.5 3 0.38 7.5 2.5
    HS2816-0.45(4.9-1.8) 2.8 1.6 0.45 4.9 1.8
    HS2816-0.45-01 2.8 1.6 0.45 5 3
    HS2816-0.45(6-1.5) 2.8 1.6 0.45 6 1.5
    HS3030-0.5(7.5-2) 3 3 0.5 7.5 2
  • impedance tréith 50Ω - tip bhabhta cothrom croí amháin
    impedance tréith 50Ω - tip bhabhta cothrom croí amháin
    Múnla Méid (mm)
    A b c D E
    HS2006-0.3(3.1-1.8) 2 0.6 0.3 3.1 1.8
    HS2010-0.3(3.5-2) 2 1 0.3 3.5 2
    HS2020-0.3-01 2 2 0.3 3.7 0.6
    HS2035- 0.3(6.4-1.8) 2 3.5 0.3 6.4 1.8
    HS2816-0.45(11.7-7.6) 2.8 1.6 0.45 11.7 7.6
    HS3020-0.5(10-6.5) 3 2 0.5 10 6.5
    HS3216-0.5(7.1-4) 3.2 1.6 0.5 7.1 4
    HS6448-1.0(10.2-3.5) 6.4 4.8 1 10.2 3.5
  • Ka2032- 0.3(4.5-1.3)
    Ka2032- 0.3(4.5-1.3)
    Múnla
    2032-0.3(4.5-1.3)
  • K2010- 0.3(1.05-0.05)
    K2010- 0.3(1.05-0.05)
    Múnla
    K2010-0.3(1.05-0.05)
  • HS2510-0.3-02
    HS2510-0.3-02
    Múnla
    HS2510-0.3-02
  • HS3520-0.5(3.4-0.3)
    HS3520-0.5(3.4-0.3)
    Múnla
    HS3520-0.5(3.4-0.3)
  • Ka3216- 0.5(5.85-1.5)
    Ka3216- 0.5(5.85-1.5)
    Múnla
    3216-0.5(5.85-1.5)
  • K2515- 0.38(2.9-0.3)
    K2515- 0.38(2.9-0.3)
    Múnla
    K2515-0.38(2.9-0.3)
  • 2-K482515-0.38(2.9-0.3)
    2-K482515-0.38(2.9-0.3)
    Múnla
    2-K482515-0.38(2.9-0.3)
  • KW2016- 0.3(0.7-1.6)
    KW2016- 0.3(0.7-1.6)
    Múnla
    KW2016-0.3(0.7-1.6)
  • KW2016- 0.3(1-2.2)
    KW2016- 0.3(1-2.2)
    Múnla
    KW2016-0.3(1-2.2)
  • KW2025- 0.3(1-2.2)
    KW2025- 0.3(1-2.2)
    Múnla
    KW2025- 0.3(1-2.2)
  • JPW2040-0.3-01
    JPW2040-0.3-01
    Múnla
    JPW2040-0.3-01
  • KW2018- 0.3(0.95-2.1)
    KW2018- 0.3(0.95-2.1)
    Múnla
    KW2018-0.3(0.95-2.1)
  • Neamh-50Ω Impedance Saintréith-Leid Babhta Croí Aonair
    Neamh-50Ω Impedance Saintréith-Leid Babhta Croí Aonair
    Múnla Méid (mm)
    A b c D E
    JD1515- 0.4(5-1.5) 1.5 1.5 0.4 5 5
    JD1615-0.4(8-1.9) 1.6 1.5 0.4 8 8
    JD1616-0.4(30-14.2) 1.6 1.6 0.4 30 30
    JD1614- 0. 45(11.4- 5) 1.6 1.4 0.45 11.4 11.4
    JD1616-0.45(4.65-1.05) 1.6 1.6 0.45 4.65 4.65
    JD1616-0. 45(16-4) 1.6 1.6 0.45 16 16
    JD1616-0.45(30-14.2) 1.6 1.6 0.45 30 30
    JD2020-0. 45(6.3- 3) 2 2 0.45 6.3 6.3
    JD2020-0. 45(10-4) 2 2 0.45 10 10
    JD1614- 0. 5(9-4) 1.6 1.4 0.5 9 9
    JD1616-0.5(30-14.2) 1.6 1.6 0.5 30 30
    JD1619-0.5(5.1-2) 1.6 1.9 0.5 5.1 5.1
    HS2015- 0.5(7.5-3) 2 1.5 0.5 7.5 7.5
    JD2016-0.5(12-5.8)-R 2 1.6 0.5 12 12
    HS2018-0.5(9.5-1.5) 2 1.8 0.5 9.5 9.5
    HS2018-0.5(11.5-7.2) 2 1.8 0.5 11.5 11.5
    HS2030-0.5(10-2) 2 3 0.5 10 10
    JD1919-0.6(7.9-1.9)-R 1.9 1.9 0.6 7.9 7.9
  • Neamh-50Ω Impedance Saintréith-Leid Babhta Croí Aonair
    Neamh-50Ω Impedance Saintréith-Leid Babhta Croí Aonair
    Múnla Méid (mm)
    A b c D E
    HS2040-0.6(6-1) 2 4 0.6 6 1
    JD1818-0.7(10-6) 1.8 1.8 0.7 10 6
    JD1818-0.7(22.2-0.4) 1.8 1.8 0.7 22.2 0.4
    HS2016-0.7(4.6-1.5) 2 1.6 0.7 4.6 1.5
    HS2016-0.7(6.3-1.5) 2 1.6 0.7 6.3 1.5
    HS2016-0.7(7.1-1.5)-R 2 1.6 0.7 7.1 1.5
    HS2016-0.7(7.6-1.5) 2 1.6 0.7 7.6 1.5
    HS2016-0.7(9.6-4) 2 1.6 0.7 9.6 4
    K2016- 0.7(11-4.6) 2 1.6 0.7 11 4.6
    HS2016-0.7(11.6-5) 2 1.6 0.7 11.6 5
    HS2016-0.7(17-15.1) 2 1.6 0.7 17 15.1
    HS2016-0.7(20-0.3) 2 1.6 0.7 20 0.3
    HS2017-0.7(9.7-3) 2 1.7 0.7 9.7 3
    HS2035-0.7(13-3) 2 3.5 0.7 13 3
    HS2020-0.75(12-4) 2 2 0.75 12 4
    HS2015- 0.8(6.5-3) 2 1.5 0.8 6.5 3
    JD2015-0.8(10.5-3) 2 1.5 0.8 10.5 3
    JD2063-0.5(10.3-2) 2 6.3 0.5 10.3 2
  • Neamh-50Ω Impedance Saintréith-Leid Babhta Croí Aonair
    Neamh-50Ω Impedance Saintréith-Leid Babhta Croí Aonair
    Múnla Méid (mm)
    A b c D E
    JD2518- 0.8(12.8- 5) 2.5 1.8 0.8 12.8 5
    JD2520-0.8(14-4) 2.5 2 0.8 14 4
    JD2540-0.8(10-4) 2.5 4 0.8 10 4
    JD3218-0.8(51.8-20) 3.2 1.8 0.8 51.8 20
    JD2530-0.9(6.6-1.8) 2.5 3 0.9 6.6 1.8
    JD2540A 2.5 4 0.8 10 4
    JD2816-1(6.6-2) 2.8 1.6 1 6.6 2
    K2816- 1.0(16-10) 2.8 1.6 1 16 10
    JD3218-1(27-15) 3.2 1.8 1 27 15
    JD3015-1.3(10.2-6.1) 3 1.5 1.3 10.2 6.1
    JD3015- 1.3(10.5-3) 3 1.5 1.3 10.5 3
    JD3430-1.4(10.5-4.5) 3.4 3 1.4 10.5 4.5
    JD12940- 1. 7(10-3) 12.9 4 1.7 10 3
    JD3916-2(6.6-2) 3.9 1.6 2 6.6 2
  • Neamh-50Ω tréith impedance-ceann cothrom croí singil
    Neamh-50Ω tréith impedance-ceann cothrom croí singil
    Múnla Méid (mm)
    A b c D E
    JD1510-0.3-01 1.5 1 0.3 5.5 1.5
    JD1315-0.35-01 1.3 1.5 0.35 3.5 0.3
    JD1515- 0.4(4.5-0.5) 1.5 1.5 0.4 4.5 0.5
    JD1516-0.4-01 1.5 1.6 0.4 14.6 1
    JD1615-0.5(7-0.5) 1.6 1.5 0.5 7 0.5
    JD1619-0.5(8.7-3) 1.6 1.9 0.5 8.7 3
    JD1619-0.5(10.3-4.6) 1.6 1.9 0.5 10.3 4.6
    JD2016- 0.5(4.5-0.6) 2 1.6 0.5 4.5 0.6
    JD2016-0.5(12-5.8) 2 1.6 0.5 12 5.8
    JD2020-0.5-01 2 2 0.5 5.2 0.5
    JD2044- 0.5(6.3-0.4) 2 4.4 0.5 6.3 0.4
    JD1919-0.6(7.9-1.9) 1.9 1.9 0.6 7.9 1.9
    RF2010-0.7(6.0-3.0) 2 1 0.7 6 3
    JD2015-0.8(6.5-3) 2 1.5 0.8 6.5 3
    RF2016- 0.8(6.6-4.5) 2 1.6 0.8 6.6 4.5
    JD2816-1(10.3-4.9) 2.8 1.6 1 10.3 4.9
  • Neamh-50Ω Impedance Saintréith-Leid Babhta Comhréidh Croí Aonair
    Neamh-50Ω Impedance Saintréith-Leid Babhta Comhréidh Croí Aonair
    Múnla Méid (mm)
    A b c D E
    RF1515-0.38(2.9-0.3) 1.5 1.5 0.38 2.9 0.3
    JD1614-0.5(17.9-0.5) 1.6 1.4 0.5 17.9 0.5
    JD1615-0.5(9-2.5) 1.6 1.5 0.5 9 2.5
    JD2016-0.7(8.1-4.5) 2 1.6 0.7 8.4 4.5
    JD2040-0.6(10-4.5) 2 4 0.6 10 4.5
    JD2016-0.7(9.1-2.5) 2 1.6 0.7 9.1 2.5
    JD2035-0.7(22-3) 2 3.5 0.7 22 3
  • Neamh-50Ω Impedance Saintréith - Cineál Ceann Ingne
    Neamh-50Ω Impedance Saintréith - Cineál Ceann Ingne
    Múnla Méid (mm)
    A b c D E F G
    JD1616-0.45(4.2-1.5) 1.4 1.5 4.2 0.45 1.6 0.8 0.3
    JD1614-0.45(6.2-0.8) 1.4 0.8 6.2 0.45 1.6 0.8 0.3
    JD1614-0.45(6.9-1.5) 1.4 1.5 6.9 0.45 1.6 0.8 0.2
    JD1620-0. 45(7-1) 2 1 7 0.45 1.6 1 0.3
    JD1630-0.5(7.5-0.5) 3 0.5 7.5 0.5 1.6 0.6 0.2
    JD1630-0.5(10.5-0.5) 3 0.5 10.5 0.5 1.6 0.6 0.2
    JD1816-0.5(20-0.5) 1.6 0.5 20 0.5 1.8 0.7 0.3
    JD2020B 2 2 0.6 5.7 1
  • JP2016-0.7(7.1-1.5)
    JP2016-0.7(7.1-1.5)
    Múnla
    JP2016-0.7(7.1-1.5)

    Múnla Méid (mm)
    A b c D E F G
    JD1614-0.45(6.9-1.5)-R 1.4 1.5 6.9 0.45 1.6 0.8 0.2
    JD1630-0.5(7.5-0.5)-R 3 0.5 7.5 0.5 1.6 0.6 0.2
  • Neamh-50Ω Impedance Saintréith - Cineál Ceann Ingne
    Neamh-50Ω Impedance Saintréith - Cineál Ceann Ingne
    Múnla Méid (mm)
    A b c D E F G
    JD1614-0.45(6.9-1.5)-R 1.4 1.5 6.9 0.45 1.6 0.8 0.2
    JD1630-0.5(7.5-0.5)-R 3 0.5 7.5 0.5 1.6 0.6 0.2
  • JD1516-0.4-02
    JD1516-0.4-02
    Múnla
    JD1516-0.4-02
  • RF1816-0.8(6.6-4.5)-2
    RF1816-0.8(6.6-4.5)-2
    Múnla
    RF1816-0.8(6.6-4.5)-2
  • 2- RF281515-0.38(2.9-0.3)
    2- RF281515-0.38(2.9-0.3)
    Múnla
    2-RF281515-0.38(2.9-0.3)
  • 2- RF301516- 0.5(5.85-1.5)
    2- RF301516- 0.5(5.85-1.5)
    Múnla
    2- RF301516-0.5(5.85-1.5)
  • JD301520-0.5-01
    JD301520-0.5-01
    Múnla
    JD301520-0.5-01
  • JD301515-0.5-01
    JD301515-0.5-01
    Múnla
    JD301515-0.5-01
  • JD201315-0.35-01
    JD201315-0.35-01
    Múnla
    JD301515-0.5-01
  • JD271516-0.4-02
    JD271516-0.4-02
    Múnla
    JD271516-0.4-02
  • JD271516-0.4-01
    JD271516-0.4-01
    Múnla
    JD271516-0.4-01
  • JD2615-0.35-01
    JD2615-0.35-01
    Múnla
    JD2615-0.35-01
  • 3- RF411515-0.38(2.9-0.3)
    3- RF411515-0.38(2.9-0.3)
    Múnla
    3-RF411515-0.38(2.9-0.3)
  • 3- RF421516- 0.5(5.85-1.5)
    3- RF421516- 0.5(5.85-1.5)
    Múnla
    3-RF421516-0.5(5.85-1.5)
  • JD261516-0.3-01
    JD261516-0.3-01
    Múnla
    JD261516-0.3-01
  • JD391516-0.4-01
    JD391516-0.4-01
    Múnla
    JD391516-0.4-01
  • JD2815-0.35-01
    JD2815-0.35-01
    Múnla
    JD2815-0.35-01
  • RF3416-0.8(6.6-4.5)-4
    RF3416-0.8(6.6-4.5)-4
    Múnla
    RF3416-0.8(6.6-4.5)-4
  • 4- RF3416- 0.5(5.85-1.5)
    4- RF3416- 0.5(5.85-1.5)
    Múnla
    4- RF3416-0.5(5.85-1.5)
  • JD341315-0.35-01
    JD341315-0.35-01
    Múnla
    JD341315-0.35-01
  • JD272716-0.4-01
    JD272716-0.4-01
    Múnla
    JD272716-0.4-01
  • JD511516-0.4-01
    JD511516-0.4-01
    Múnla
    JD511516-0.4-01
  • JD2016-0.3-01
    JD2016-0.3-01
    Múnla
    JD2016-0.3-01
  • JD3115-0.35-01
    JD3115-0.35-01
    Múnla
    JD3115-0.35-01
  • JD631516-0.4-01
    JD631516-0.4-01
    Múnla
    JD631516-0.4-01
  • RF1816-0.8(6.6-4.5)-6
    RF1816-0.8(6.6-4.5)-6
    Múnla
    RF1816-0.8(6.6-4.5)-6
  • 6- RF811515- 0.5(0.5-8.2)
    6- RF811515- 0.5(0.5-8.2)
    Múnla
    6-RF811515-0.5(0.5-8.2)
  • 6- RF821515- 0.5(5.5-2.5)
    6- RF821515- 0.5(5.5-2.5)
    Múnla
    6-RF821515-0.5(5.5-2.5)
  • JD501516-0.4-01
    JD501516-0.4-01
    Múnla
    JD501516-0.4-01
  • JD811520-0.5-0.1
    JD811520-0.5-0.1
    Múnla
    JD811520-0.5-0.1
  • 7- RF941515- 0.5(5.5-2.5)
    7- RF941515- 0.5(5.5-2.5)
    Múnla
    7-RF941515-0.5(5.5-2.5)
  • JD1201515-0.5-01
    JD1201515-0.5-01
    Múnla
    JD1201515-0.5-01
  • JMC-265-JH
    JMC-265-JH
    Múnla
    JMC-265-JH
  • JD1201515-0.5-02
    JD1201515-0.5-02
    Múnla
    JD1201515-0.5-02
  • RF1816-0.8(6.6-4.5)-9
    RF1816-0.8(6.6-4.5)-9
    Múnla
    RF1816-0.8(6.6-4.5)-9
  • JYZ22-0.45-01
    JYZ22-0.45-01
    Múnla
    JYZ22-0.45-01
  • Neamh-50Ω Bac Saintréith - Il-Chroílár
    Neamh-50Ω Bac Saintréith - Il-Chroílár
    Múnla Méid (mm)
    A b c D E F G H tarraingt tríd as a chéile Foirceannadh
    JD156018-0.3(27.2-0.8)-8 27.2 0.8 1.4 6 1.8 0.6 0.3 0 8 1 Nascáil aghaidh uachtair seoltóir istigh
    JD151152-0.3(4.5-1.5)-9 4.5 1.5 1.5 11.5 2 1.27 0.3 0 9 1 sádráil
    2-JD162020-0.3(5-1.7)-4 A1=5
    A2=3.6
    b1=1.7
    b2=1
    1.6 2 2 0.57 0.3 0.57 4 2 Nascáil chomhréidh ar an dá thaobh de na seoltóirí istigh
    2-JD162020-0.3(7.6-1.7)-4 A1=7.6
    A2=3.6
    b1=1.7
    b2=1
    1.6 2 2 0.57 0.3 0.56 4 2 Nascáil chomhréidh ar dhá thaobh an tseoltóra istigh
    JD158215-0.38(7-0.8)-6 7 0.8 1.5 8.2 1.5 1.27 0.38 0 6 1 Nascáil aghaidh ceann ingne uachtarach
    JD153015-0.38(8-1.9)-2 8 1.9 1.5 3 1.5 1.27 0.38 0 2 1 Táthaithe
    2-JD162525-0.38(10.6-3.5)-4 10.6 3.5 1.6 2.5 2.5 0.71 0.38 0.71 4 2 sádráil
    2-JD187425-0.38(3.8-1)-16 A1=3.8
    A2=5.2
    b1=1
    b2=1.7
    1.8 7.4 2.5
    4
    0.88 0.38 1.02 16 2 Críochnaíonn seoltóir inmheánach cothromaithe agus nasctha ar an taobh
    JD1510516-0.45(7.5-2)-8 7.5 2 1.5 10.5 1.6 1.27 0.45 0 8 1 sádráil
    JD155515-0.5(5.7-1.7}-4 5.7 1.7 1.5 5.5 1.5 1.27 0.5 0 4 1 Nascáil leacaithe taobh uachtarach an tseoltóra istigh
    JD1512015-0.5(5.8-2.5)-9 5.8 2.5 1.5 12 1.5 1.27 0.5 0 9 1 Nascáil taobh cothromaithe ag an seoltóir istigh níos ísle
    JD153015-0.5(7-0.5)-2 7 0.5 1.5 3 1.5 1.27 0.5 0 2 1 bonding of inner conductor ends
  • Neamh-50Ω Bac Saintréith - Il-Chroílár
    Neamh-50Ω Bac Saintréith - Il-Chroílár
    Múnla Méid (mm)
    A b c D E F G H tarraingt tríd as a chéile Foirceannadh
    JD153815-0.5(7.7-1.2)-2 7.7 1.2 1.5 3.8 1.5 2.1 0.5 0 2 1 Nascáil leacaithe ar thaobh uachtarach an tseoltóra istigh
    JD153015-0.5(13.5-4)-2 13.5 4 1.5 3 1.5 1.27 0.5 0 2 1 Táthú
    JD1613215-0.5(10.6-2)-10 10.6 2 1.6 13.2 1.5 1.27 0.5 0 10 1 sádráil
    JD302915-0.5(8-1)-2 8 1 3 2.9 1.5 1.27 0.5 0 2 1 Nascáil aghaidh uachtair an tseoltóra istigh
    2-JD165528-0.5(7.6-1)-8 7.6 1 1.6 5.5 2.8 1.07 0.5 0 8 2 Nascáil aghaidh uachtair an tseoltóra istigh
    2-JD154330-0.5(5.8-2)-5 Al=5.8
    A2=5.1
    b1=2
    b2=1.3
    1.5 4.3 3 1.27 0.5 1.5 5 2 Solder Taobh Uachtarach leata
    2-JD156830-0.5(5.8-2)-9 Al=5.8
    A2=5.1
    b1=2
    b2=1.3
    1.5 6.8 n 1.27 0.5 1.5 6 2 Weld Taobh uachtair an tseoltóra istigh a leathadh
    2-JD1512030-0.5(9.3-2.8)-18 A1=9.3
    A2=8
    b1=2.8
    b2=1.5
    1.5 12 3 1.27 0.5 1.5 18 2 Táthú Flattening of inner conductor ends
    3-JD155545-0.5(9.5-4)-12 Al=9.5
    A2=7.5
    A3=5.5
    b1=4
    b2=3
    b3=2
    1.5 5.5 4.5 1.27 0.5 1.5 12 3 sádráil
    2-JD207015-0.6(7-3)-10 A1=7
    A2=6
    b1=3
    b2=2
    2 7 1.5 1.27 0.6 1.5 10 2 Seoltóir istigh leacaithe agus bannaithe ar an dá thaobh
    2-JD3012230-0.6(10.8-5)18 10.8 5 3 12.2 3 1.27 0.6 1.5 18 2 Nascáil leata ar thaobh an tseoltóra inmheánaigh níos ísle
  • JYZ22-0.45-02
    JYZ22-0.45-02
    Múnla
    JYZ22-0.45-02

COINNIGH I dTEAGMHÁIL

[#ionchur#]
ISTEACH
Fúinn
Tá Ningbo Hanson Communication Technology Co., Ltd.
Tá Ningbo Hanson Communication Technology Co., Ltd.
Ningbo Hanson Communication Technology Co., Ltd. is China RF Gloine Inslitheoir Supplier and Custom RF Gloine Inslitheoir Company. We are a manufacturer specializing in the production, processing, and trade of communication components, with more than 30 years of experience in RF coaxial connectors, adapters, and cable assemblies. Tá a ceardlann meaisínithe féin, ceardlann leictreaphlátála, ceardlann tionóil, agus grúpa soláthraithe cobhsaí agus iontaofa forbartha ag an gcuideachta anois. Is é cuspóir na cuideachta táirgí ardchaighdeáin a sholáthar do chustaiméirí. Na príomh-tháirgí is cónaisc comhaiseach RF, oiriúntóirí, tionóil cábla ard-minicíochta, agus tionóil cábla idirmhodúcháin íseal. Ina theannta sin, is féidir leis an gcuideachta seirbhísí a sholáthar do chustaiméirí a bhfuil riachtanais shaincheaptha acu freisin chun freastal ar riachtanais speisialta na gcustaiméirí maidir le táirgí. Úsáidtear táirgí na cuideachta go forleathan i aeraspáis, stáisiúin bonn cumarsáide, trealamh leighis, agus réimsí ardteicneolaíochta eile. Ag an am athchóirithe fiontair, nuálaíochta, forbartha, agus fáis, ghlac an chuideachta an tionscnamh a bheith páirteach sa chóras bainistíochta cáilíochta ISO9001 idirnáisiúnta agus feabhas leanúnach ar an leibhéal bainistíochta chun táirgí agus seirbhísí níos sásúla a sholáthar do chustaiméirí nua agus sean.
Nuacht is Déanaí
Ag Lorg Deis Gnó?

Iarratas ar ghlao inniu