OEM Nascóir BNC Supplier

Nascóir BNC

Cur síos:

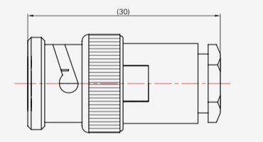
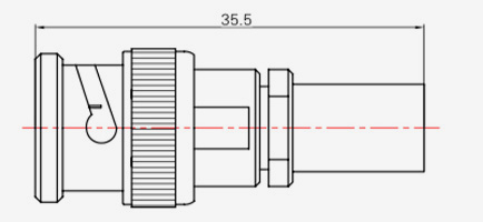
Is cónascaire comhaiseach RF sraith BNC cónascaire comhaiseach RF bayonet a forbraíodh i gcomhréir le caighdeán míleata na SA MIL-C-39012. Tá tréithe nasc tapa agus teagmháil iontaofa aige, agus tá sé ar cheann de na nascóirí is mó a úsáidtear agus a úsáidtear go forleathan ar domhan. Tá impedance sainiúil cónascaire comhaiseach sraith BNC RF roinnte ina 50Ω agus 75Ω, agus déantar méideanna an dá chónaisc impedance éagsúla a mheaitseáil.

Paraiméadar:

Príomh-Sonraíochtaí Teicniúla:
◆ Impedance Saintréith: 50Ω/75Ω
◆ Raon Minicíochta: DC-4GHz(50Ω)/DC-1GHz(75Ω)
◆ Friotaíocht Insliú: ≥5000MΩ
◆ Tréleictreach Seasann Voltas: 1500V(rms)
◆ Cóimheas Seasmhach Tonn Voltais (VSWR): ≤1.25
◆ Timthriallta Cúplála: 500 uair

Fiosraigh

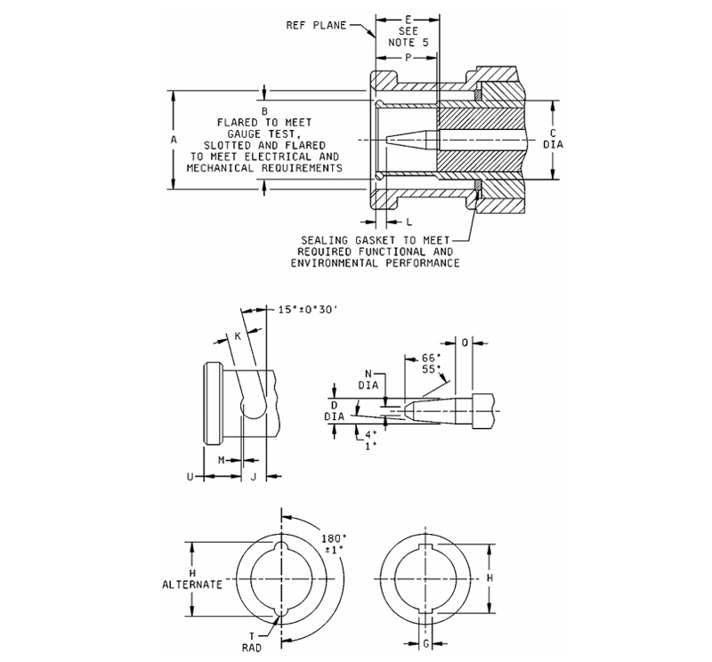
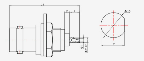
Dim
Ltr
milliméadar (orlach)
íosmhéid Uasmhéid
A .432 (10.97) .436 (11.07)
b .378 (9.60) .382 (9.70)
c .327 (8.31) .333 (8.46)
D .319 (8.10) .321 (8.15)
F .204 (5.18) .208 (5.28)
G .327(8.31) .335 (8.51)
H .075 (1.91) 081(2. 06)
.186(4.72) .206 (5.23)
K ------ .006(0.15)
L .195 (4.95) ------
M .081 (2. 06) 087 (2. 21)
N .346(8.79) .356 (9.04)
p ------ .256 (6.50)
R .015 (0.38) .030 (0.76)
S .414 (10.52) ------

Nótaí:
1. Tá toisí in orlach. Tá coibhéisí méadracha i lúibíní.
2. Tugtar coibhéisí méadracha mar eolas ginearálta amháin.
3. Comhlíonfaidh an comhéadan seo na ceanglais tomhais mar atá sonraithe i líníocht nó sonraíocht DSCC.
4. Imréiteach le haghaidh cnó cúplála cónascaire cúplála.
5. Tá feidhm ag toise "p" maidir leis an gcuid sin (más infheidhme) de thréleictreach a théann thar phlánaí tagartha de réir toise K.
6. Ní bhaineann "M" ach le fad "L".

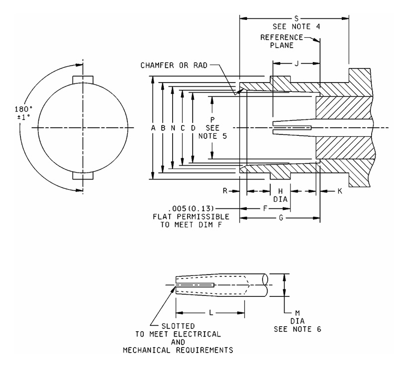
Dim
Ltr
milliméadar (orlach)
íosmhéid Uasmhéid
A 385 (9.78) .390 (9.91)
b Tástáil tomhsaire
D .052 (1.32) .054 (1.37)
E .210 (5.33) .230 (5.84)
G .091(2.31) .097 (2. 46)
H .463 (11.76) .473 (12.01)
H malartach .394 (10.01) .400 (10.16)
J .124(3.15) ------
K .091(2.31) .097 (2. 46)
L .003 (0.08) ------
M .018 (0.46) .022 (0.56)
N ------ .025 (0.64)
p .208 (5.28) ------
C .078 (1.98) ------
T .045 (1.14) .049 (1.24)
U .180(4.57) .184 (4.67)

Nótaí:
1. Tá toisí in orlach. Tá coibhéisí méadracha i lúibíní.
2. Tugtar coibhéisí méadracha mar eolas ginearálta amháin.
3. Sa riocht cúpláilte, sáróidh fórsa fadaimseartha earrach an mheicníocht chúplála an brú a chuireann an gasket ina saothraítear rónta de mhéid is gá chun na teagmhálacha seachtracha ag an eitleán tagartha a líonadh.
4. Comhlíonfaidh an comhéadan seo na ceanglais tomhsaire mar atá sonraithe.

BNC SERIES
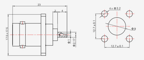
  • BNC-JB3
    BNC-JB3
    Múnla Cineál cábla
    BNC-JB3 SFT-50-3, 670-141
  • BNC- KB3
    BNC- KB3
    Múnla Cineál cábla
    BNC- KB3 SFT-50-3,670-141
  • BNC-KYB2
    BNC-KYB2
    Múnla Cineál cábla d
    BNC-KYB2 SFT-50-2,670-086 Φ2.2
    BNC-KYB3 SFT-50-2,670-141 3.6
  • BNC-J3
    BNC-J3
    Múnla Cineál cábla
    BNC-J3 SYV-50-2-1,RG316
    BNC-J4 SYV-50-2-2
    BNC-J5,(K)5 SYV-50-3, SFCJ-50-3-51, RG142
    BNC-J7 SYV-50-5-1, SFCJ-50-5-51
    BNC-J10 SYV-50-7-1, SYV-50-7-2, SFCJ-50-7-51
  • BNC-J3Y
    BNC-J3Y
    Múnla Cineál cábla
    BNC-J3Y SYV-50-2-1
    BNC-J5Y SYV-50-3
  • BNC-J12
    BNC-J12
    Múnla Cineál cábla
    BNC-J12 SYV-75-3
  • BNC-75J13Y
    BNC-75J13Y
    Múnla Cineál cábla
    BNC-75J13Y SYV-75-5
  • BNC-JW3Y
    BNC-JW3Y
    Múnla Cineál cábla
    BNC-JW3Y SYV-50-2-1,RG316
  • BNC- KF3
    BNC- KF3
    Múnla Cineál cábla
    BNC- KF3 SYV-50-2-1,RG316
    BNC- KF4 SYV-50-2-2
    BNC- KF5 SYV-50-3, SFCJ-50-3-51,RG142
  • BNC-KY3
    BNC-KY3
    Múnla Cineál cábla
    BNC-KY3 SYV-50-2-1,RG316
    BNC-KY4 SYV-50-2-2
    BNC-KY5 SYV-50-3, SFCJ-50-3-51,RG142
  • BNC-KF
    BNC-KF
  • BNC-KY
    BNC-KY

COINNIGH I dTEAGMHÁIL

[#ionchur#]
ISTEACH
Fúinn
Tá Ningbo Hanson Communication Technology Co., Ltd.
Tá Ningbo Hanson Communication Technology Co., Ltd.
Ningbo Hanson Communication Technology Co., Ltd. is China Nascóir BNC Supplier and Custom Nascóir BNC Company. We are a manufacturer specializing in the production, processing, and trade of communication components, with more than 30 years of experience in RF coaxial connectors, adapters, and cable assemblies. Tá a ceardlann meaisínithe féin, ceardlann leictreaphlátála, ceardlann tionóil, agus grúpa soláthraithe cobhsaí agus iontaofa forbartha ag an gcuideachta anois. Is é cuspóir na cuideachta táirgí ardchaighdeáin a sholáthar do chustaiméirí. Na príomh-tháirgí is cónaisc comhaiseach RF, oiriúntóirí, tionóil cábla ard-minicíochta, agus tionóil cábla idirmhodúcháin íseal. Ina theannta sin, is féidir leis an gcuideachta seirbhísí a sholáthar do chustaiméirí a bhfuil riachtanais shaincheaptha acu freisin chun freastal ar riachtanais speisialta na gcustaiméirí maidir le táirgí. Úsáidtear táirgí na cuideachta go forleathan i aeraspáis, stáisiúin bonn cumarsáide, trealamh leighis, agus réimsí ardteicneolaíochta eile. Ag an am athchóirithe fiontair, nuálaíochta, forbartha, agus fáis, ghlac an chuideachta an tionscnamh a bheith páirteach sa chóras bainistíochta cáilíochta ISO9001 idirnáisiúnta agus feabhas leanúnach ar an leibhéal bainistíochta chun táirgí agus seirbhísí níos sásúla a sholáthar do chustaiméirí nua agus sean.
Nuacht is Déanaí
Ag Lorg Deis Gnó?

Iarratas ar ghlao inniu